四氢呋喃水精馏流程图

精馏流程图
图片尺寸834x590
精馏装置流程图
图片尺寸738x553
精馏流程图
图片尺寸820x580
精馏工艺流程图
图片尺寸962x565
图7-11 连续精馏操作流程
图片尺寸827x794
一种三塔间歇精馏分离四氢呋喃甲醇水的工艺的制作方法
图片尺寸1000x504
cn1273458c_四氢呋喃的蒸馏提纯方法有效
图片尺寸1916x1436
四氢呋喃脱水精制方法
图片尺寸1809x894
化工工艺中的精馏设计
图片尺寸920x520
我公司与上海某企业签订四氢呋喃变压精馏工艺包设计合同 - 天津精分
图片尺寸554x345
过程控制论文——精馏塔工艺分析
图片尺寸464x331
cn205893131u_萃取精馏回收四氢呋喃甲醇水中四氢呋喃的单塔系统有效
图片尺寸1000x599
一种用精馏-膜分离集成工艺分离叔丁醇-四氢呋喃-水混合溶剂的工艺
图片尺寸456x272
萃取精馏分离四氢呋喃乙醇水共沸物系的装置及方法
图片尺寸1797x859
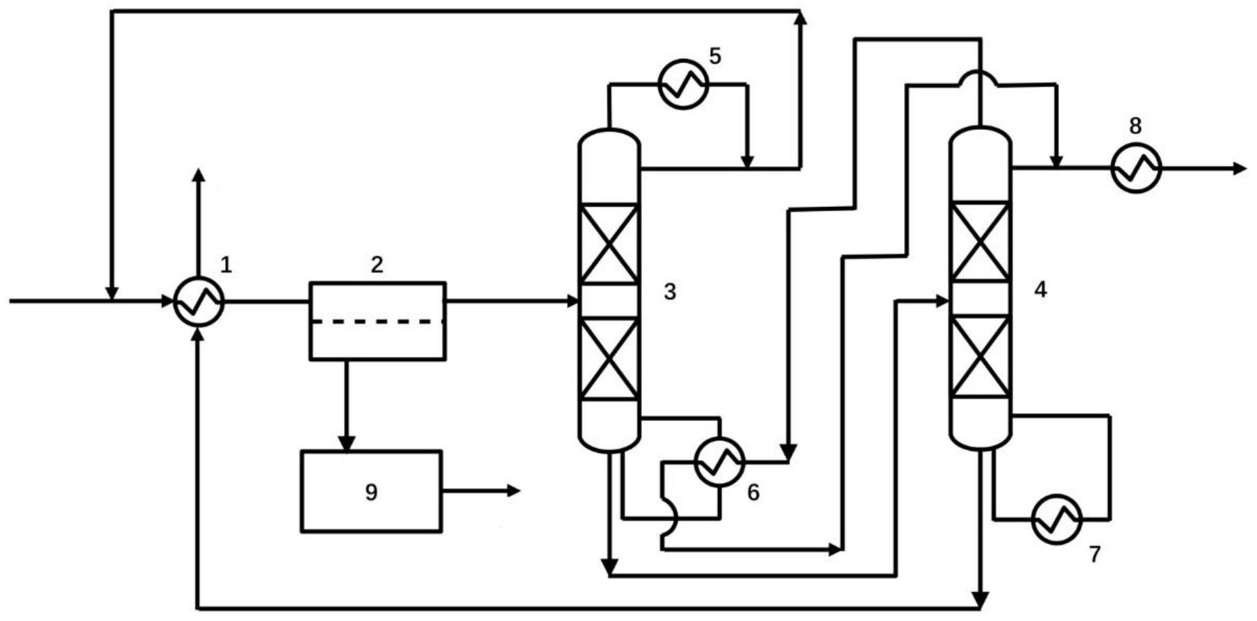
一种渗透汽化膜耦合变压精馏四氢呋喃脱水工艺
图片尺寸1000x555
一种完全热耦合萃取精馏分离四氢呋喃乙醇水混合物的方法与流程
图片尺寸1000x487
一种部分热耦合萃取精馏分离四氢呋喃乙醇水混合物的方法与流程
图片尺寸1000x379
一种渗透汽化膜耦合变压精馏四氢呋喃脱水工艺制造技术
图片尺寸1000x558
反应精馏联合萃取精馏分离四氢呋喃-乙醇-水三元共沸体系的方法与流程
图片尺寸1000x641
求高手帮忙绘制一个精馏实验流程的cad图,稍微大点吧,但是要能放的进
图片尺寸574x351