图名标注

新项目工程图识图标注图例等.doc 20页
图片尺寸792x1120
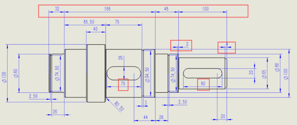
轴类零件的标注|制图与识图 轴是机械制图中很经典的零件,其覆盖的
图片尺寸1754x1280
在工程平面图中标注的各种符号与代表名.doc
图片尺寸792x1120
天正给排水的图名标注在哪?
图片尺寸500x577
cad怎么给图名标注
图片尺寸500x400
solidworks工程图标注怕漏尺寸?一招搞定漏尺寸问题!
图片尺寸1000x423
cad怎么给图名标注
图片尺寸500x400
市政识图的图例和标注
图片尺寸640x514
图中画好的尺寸线上标注尺寸数字,大小 从图中量取(1:1)
图片尺寸1080x810
自己整理的,可以作为参考,因为主要标注的是我记得不太清楚的知识点
图片尺寸1920x1280
cad怎么给图名标注
图片尺寸500x400
工程图中都需要标注什么
图片尺寸430x208
p009利用图幅信息功能给图纸添加图号
图片尺寸1119x485
在天正上如何插入图名标注
图片尺寸500x273
某工程集装箱房屋建筑cad设计施工图(标注详细)
图片尺寸1440x1020
cad标注动态图库,图纸深化必备~限时分享,需要的3连发你~ - 抖音
图片尺寸1080x1920
工程识图之平法标注(板)
图片尺寸892x691
施工图标注安装方式文字代号及弱电设计图例模板
图片尺寸610x432
连梁平法3--侧面钢筋的标注与排布_水平_情况_张向荣
图片尺寸1080x532
三,符号,代号的标注 零,部件件号及管口符号均从主视图左下方开始,按
图片尺寸1080x810