圆螺母与轴的装配图

紧定轴套,圆螺母和止动垫圈应用场合:高转速下承受大轴向力的场合圆
图片尺寸263x290
(2)套筒固定 轴承与齿轮之间 (3)圆螺母固定 相邻零件间距大
图片尺寸1080x810
23 用圆螺母作轴向定位图6.24 油槽的结构和位置图6.
图片尺寸692x527
"453963">圆螺母用止动垫圈 /a>配用,装配时将垫圈内舌插入轴上的槽内
图片尺寸757x480
圆螺母图
图片尺寸1128x822
一种5吨装载机轮边圆螺母防松结构的制作方法
图片尺寸958x1000
c620Ⅱ轴装配图pdf
图片尺寸920x650
潘存云教授研制 弹性挡圈固定 圆螺母与止 动垫圈固定 轴端挡圈固定
图片尺寸1080x810
2.3 轴承游隙及轴系的轴向位置调整方法 圆螺母 垫片
图片尺寸1080x810
圆螺母止动垫圈装配的问题
图片尺寸555x531
三,滚动轴承的轴向紧固 内圈的紧固方法 弹性挡圈固定 圆螺母与止动
图片尺寸1080x810
安达新悦供应优质圆螺母 gb812
图片尺寸604x371
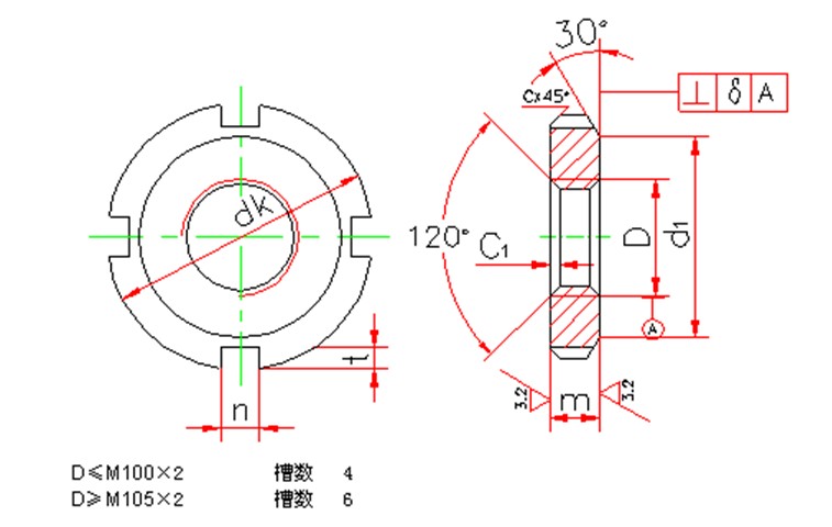
a4-圆螺母.dwg
图片尺寸1200x800
机械设计你真的会设计轴吗轴系设计所需考虑的七大要点解析
图片尺寸615x565
④圆螺母:当无法采用套筒或套筒太长时,可考虑使用圆螺母作轴向 苟è
图片尺寸1080x810
m180x3圆螺母零件图cad图
图片尺寸532x532
当圆螺母拧紧到位后,止动垫圈的内齿弯向圆螺母.
图片尺寸629x304
摘要:本实用新型提供一种圆螺母锁紧防松结构,包括轴,轴承,内圆螺母
图片尺寸252x360
8级 圆螺母常与圆螺母用止动垫圈配用,装配时将垫圈内舌插入轴上的槽
图片尺寸772x248
圆螺母.dwg
图片尺寸1200x800