场效应管原理图

第3章 场效应管放大电路习题答案
图片尺寸2567x2022
p3场效应管放大电路分析(黎)3ppt
图片尺寸1080x810
场效应管构成的恒流源电路
图片尺寸600x787
画了个场效应管功放电路
图片尺寸938x773
场效应管放大电路
图片尺寸1080x810
场效应管工作原理图-场效应管原理图简介,参数,作用详解-kia mos管
图片尺寸530x448
n沟道结型场效应管jfet的工作原理
图片尺寸1140x606
场效应管及其基本电路.pdf
图片尺寸792x594
场效应管开关电路
图片尺寸1032x699
2 结型场效应管的工作原理(n沟道)
图片尺寸473x367
场效应管原理
图片尺寸499x212
制作一款分立后级——场效应管
图片尺寸1063x1017
it/计算机 绝缘栅型场效应管 绝缘栅型场效应管小结 1,工作原理 ① 栅
图片尺寸466x393
这个场效应管电路什么意思stm32pa1应该怎么控制
图片尺寸1129x522
n沟道结型场效应管的工作原理
图片尺寸358x198
场效应管的特性
图片尺寸432x266
三极管驱动mos场效应管电路
图片尺寸640x364
模拟电子技术基础4场效应管及其放大电路ppt
图片尺寸1080x810
场效应管工作原理分析及总结-csdn博客
图片尺寸1080x810
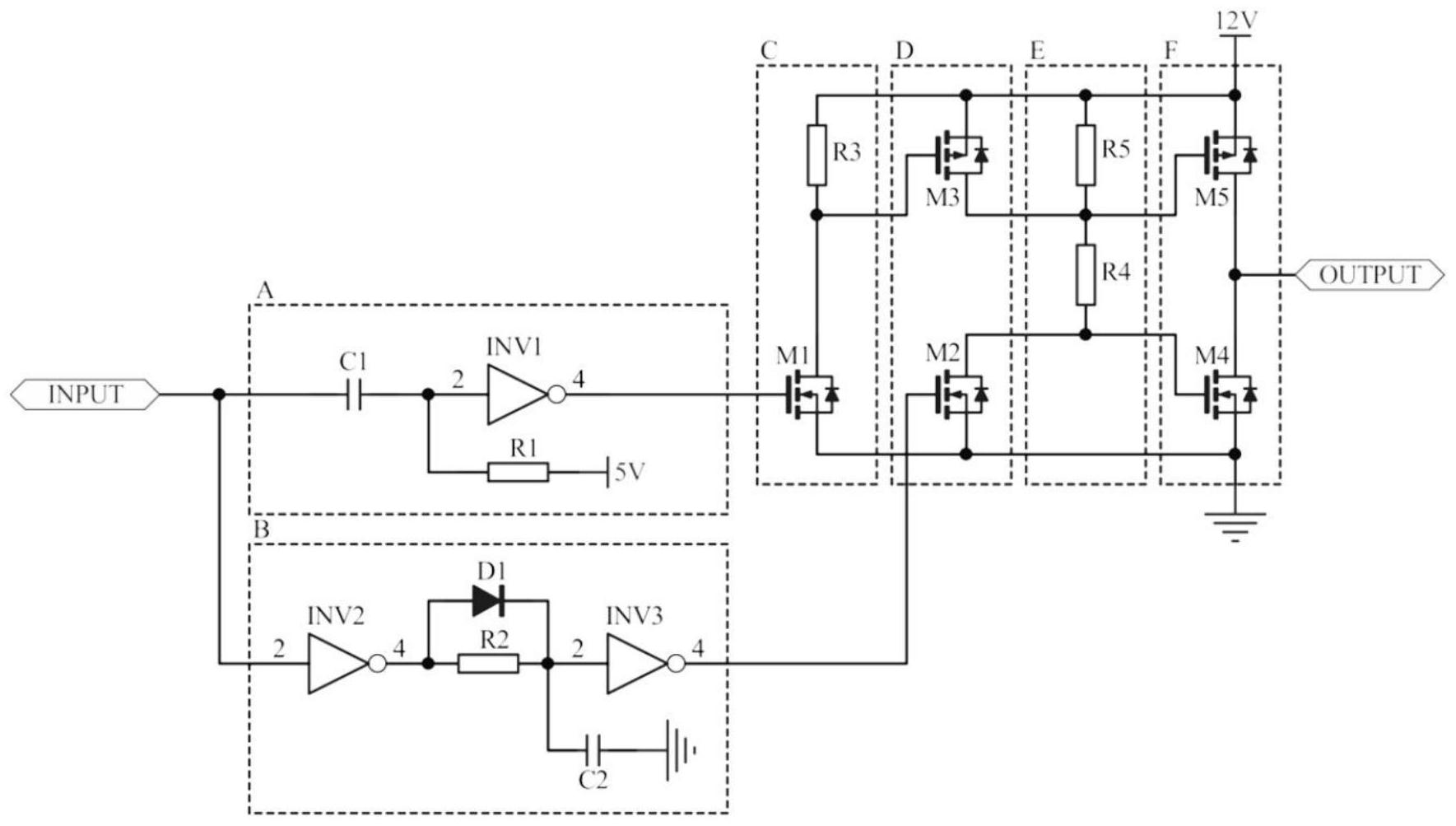
一种mos场效应管驱动电路及控制方法
图片尺寸1769x1003