场效应管管脚图接线图

展开全部 ru7088r是场效应管,管脚识别如图
图片尺寸443x436
常用电子管管脚接线图
图片尺寸800x1133
irf740场效应管脚接法
图片尺寸381x369
这些接法你知道吗场效应管的简单接法介绍
图片尺寸500x296
场效应管电路
图片尺寸559x435
全场效应管发烧功放电路图 如图所示,如此复杂,完善的电路,很容易让人
图片尺寸2371x2000
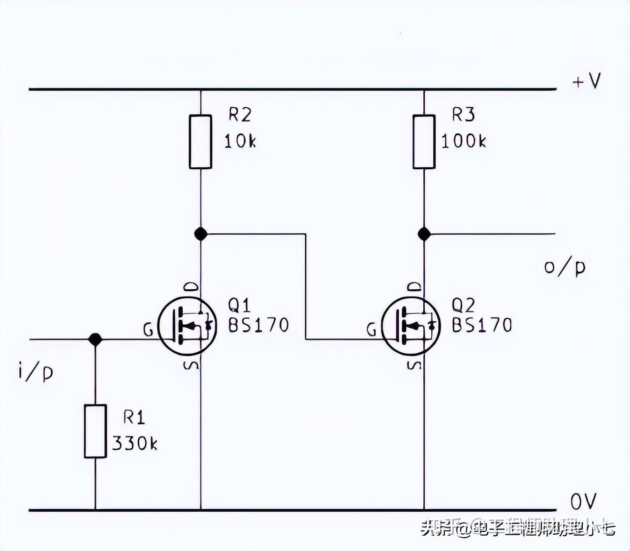
引脚功能 参数 工作原理 典型电路,一文带你搞懂 bs170 场效应管
图片尺寸1280x1120
场效应管与三极管基础知识讲解
图片尺寸861x525
100v场效应mos管mos管160n10宇芯微
图片尺寸387x342
p沟道耗尽型mos管_耗尽型mos管
图片尺寸1127x1079
场效应管调光电路参数
图片尺寸2304x3037
mos管是金属(metal)—氧化物(oxid)—半导体(semiconductor)场效应
图片尺寸600x403
irf3205 场效应管参数 引脚说明 工作原理 电路实例,带你快速搞定
图片尺寸600x306
场效应管(fet),场效应管(fet)是什么意思
图片尺寸479x432
mos场效应管开关电路实例电路图-mos场效应管知识-竟业电子
图片尺寸600x608
mos管,其实并不难,化繁为简,多看,多思考,就可以掌握它_东西_寄生
图片尺寸1012x742
用场效应管制作触摸开关(有电路图)
图片尺寸2048x1421
s8050参数与管脚图,s8050三极管国产mos管_电路_电压_电子
图片尺寸350x498
二极管知识点总结
图片尺寸1235x890
场效应管(mos管)知识点总结
图片尺寸2172x608