型材图纸

流水线铝型材图纸集合图
图片尺寸920x1302
20201n铝型材-2020工业铝型材-欧标-2020铝型材图纸
图片尺寸385x324
8mm厚欧标型材
图片尺寸800x800
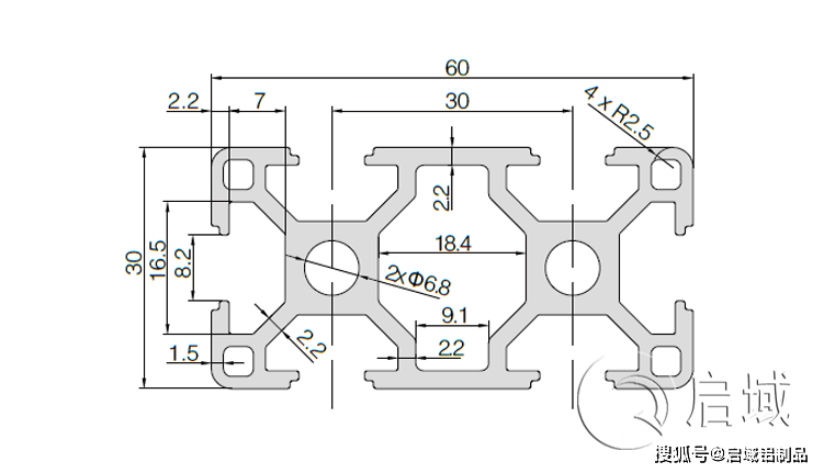
铝型材 qy-8-4040gb
图片尺寸751x428
京美120阳光房型材
图片尺寸800x1190
常见的几款铝型材4040截面图汇总!
图片尺寸751x428
南京厂家供应8840铝型材,80,80
图片尺寸800x800
3030铝型材规格及图纸介绍
图片尺寸718x385
厂家介绍黑色工业铝型材3060
图片尺寸751x431
塑料件20注塑模具设计- 设计方案图纸 - 沐风网
图片尺寸820x1159
产品中心 产品图纸 节能隔热平(门)窗系列 hh-cpc70系列隔热平开(门)
图片尺寸1000x1415
铝型材qy88080g
图片尺寸751x428
建筑铝型材
图片尺寸560x360
qy-8-4080w铝型材图纸
图片尺寸751x428
铝型材 qy-8-4080a
图片尺寸751x428
铝型材qy66630g
图片尺寸751x428
30系列工业铝型材展示
图片尺寸1241x1684
铝型材qy84060g
图片尺寸751x428
皮带输送带用铝型材-机构图纸-自动化设备|凸轮机构|免费图纸下载
图片尺寸586x635
qy-6-2080铝型材图纸
图片尺寸600x341