垫块规格

6--m36 类别 平垫 标准类型 德标 标准编号 gb96-85 产品规格 m1.
图片尺寸790x1350
产品规格 m8,m6,m16,m5,m12,m22,m20,m18,m14,m24,m10
图片尺寸750x882
产品规格 m8,m6,m16,m12,m30,m33,m22,m27,m64,m20,m36,m56
图片尺寸567x809
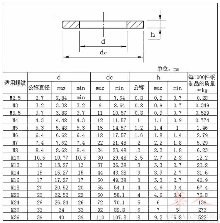
848 型号 din848 类别 平垫圈 标准类型 德标 标准编号 din848 规格 m
图片尺寸790x886
454 型号 445 类别 平垫圈 标准类型 国标 标准编号 gb1230-84 规格
图片尺寸750x1123
订货号 参考详情 产品规格 m1.
图片尺寸750x999
不锈钢美制弹垫 ansib18.21.1美标弹簧垫圈 英制开口介子 华司
图片尺寸750x1028
万康德平行垫铁 精密平行垫块 等高块 虎钳平行板 平行块 等高垫铁
图片尺寸800x800
gbt951985c级平垫圈gradecplainwashers
图片尺寸600x576
产品规格 304弹垫m3黑色【1000粒】,304弹垫m4黑色【1000粒】
图片尺寸1358x1920
原装台湾米其林精密工具v型块可调式角度垫块测量角度规mclpv302
图片尺寸1240x1754
8级弹垫 国标镀蓝白弹簧垫片 专业生产 非标垫片可定做
图片尺寸750x1000
序号 规格型号 单位 包装方式 包装数 基本单价 折扣 实际单价 库存
图片尺寸790x1134
镀黑gb93开口垫圈/弹簧垫圈/弹性挡圈/抗震防松垫片开口弹垫
图片尺寸790x1072
10-mφ60 类别 止动垫圈 标准类型 国标 标准编号 多款可选 规格
图片尺寸790x1000
gr192428384248657590空压机六八角聚氨酯梅花星型gs弹性体缓冲垫
图片尺寸732x900
红色 红钢垫片 绝缘垫圈 红纸垫螺丝垫片平垫m2 m3批发.
图片尺寸1089x1492
由于本公司产品规格过多,无法全部展示,其他产品规格详情请咨询客服.
图片尺寸728x488
gb97国标平垫发黑镀锌平面垫圈规格齐全
图片尺寸790x1035
加厚304加垫圈垫不锈钢平垫片平大平大平垫圆环金属m3-4-5-6-8~30
图片尺寸750x760