基础剖面图怎么看

条形基础剖面图
图片尺寸707x444
基础剖面图
图片尺寸1400x837
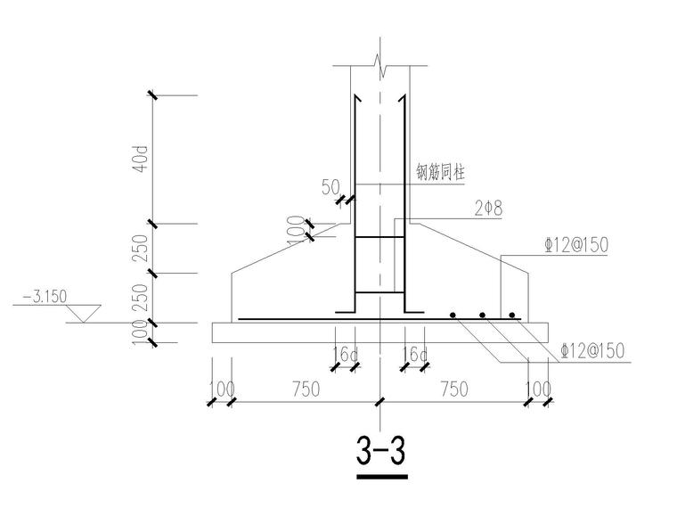
3,基础剖面图
图片尺寸760x575
这个独立基础剖面22不知道怎么定义请专家帮忙
图片尺寸592x467
独立基础剖面配筋详图
图片尺寸645x514
条形基础断面图
图片尺寸508x418
独立基础剖面图怎么看
图片尺寸546x431
一,投影的基本知识 二,剖面图与断面图的概念 三,房屋构造 四,基础的
图片尺寸970x648
基础剖面图
图片尺寸760x570
基础剖面图的内外地台是什么意思
图片尺寸1033x833
条形基础详图
图片尺寸865x751
独立基础的剖面图为什么是这样,怎么画
图片尺寸513x792![[例]: 如下图所示为某房屋基础平面图及剖面图,内外墙基础交接示意图.](https://imgs.wantubizhi.com/img/ADDA3C5D760C6828B77B505A29D43E83D5E50021C96442C50C9F851FFFB1D978CD1D3336BB427C000D402447B242CA0A9C7A9277E794B938EC545D2C68AEC1668386B69BD56268B8C1F75BE0DA5D1923129CC915971BCDCA18D14846FDE2A837)
[例]: 如下图所示为某房屋基础平面图及剖面图,内外墙基础交接示意图.
图片尺寸500x289
结基11 外墙基础剖面图 内墙基础剖面图
图片尺寸1185x579
塔吊基础剖面图
图片尺寸1200x900
条形基础配筋剖面图2
图片尺寸760x570
独立基础详图
图片尺寸1057x730
结构设计说明中基础垫层是c10,独立基础剖面图上写的是c15垫层这种
图片尺寸763x568
梁板式条形基础的横切面.jpg
图片尺寸884x400
某住宅小区筏板基础设计节点构造详图
图片尺寸812x564