复叠

分离 相遇 复叠 联合 减缺 透叠 差叠 重合
图片尺寸1080x810
复叠
图片尺寸560x210
字体分享复叠彩虹字体
图片尺寸1080x1080
第八章 复叠复合形
图片尺寸771x1134
平面构成并列关系相遇关系融合关系减缺关系复叠关系透叠关系差叠关系
图片尺寸989x420
inkamplink复义空间艺创未来暨inkamplink商业复叠艺术共生活动发
图片尺寸1018x622
合肥260㎡顶复叠浮楼梯现代风设计
图片尺寸1080x1439
第八章 复叠复合形
图片尺寸771x1134
平面构成并列关系相遇关系融合关系减缺关系复叠关系透叠关系差叠关系
图片尺寸1536x2048
代数拓扑复叠空间
图片尺寸758x511
70℃复叠机
图片尺寸300x300
1 三级自动复叠制冷系统
图片尺寸481x245
古建筑丨五重佛塔 方寸间的榫卯精髓 唐风五重塔 四方五层,层阁复叠
图片尺寸960x1280
低温复叠冷水流程图.jpg
图片尺寸556x430
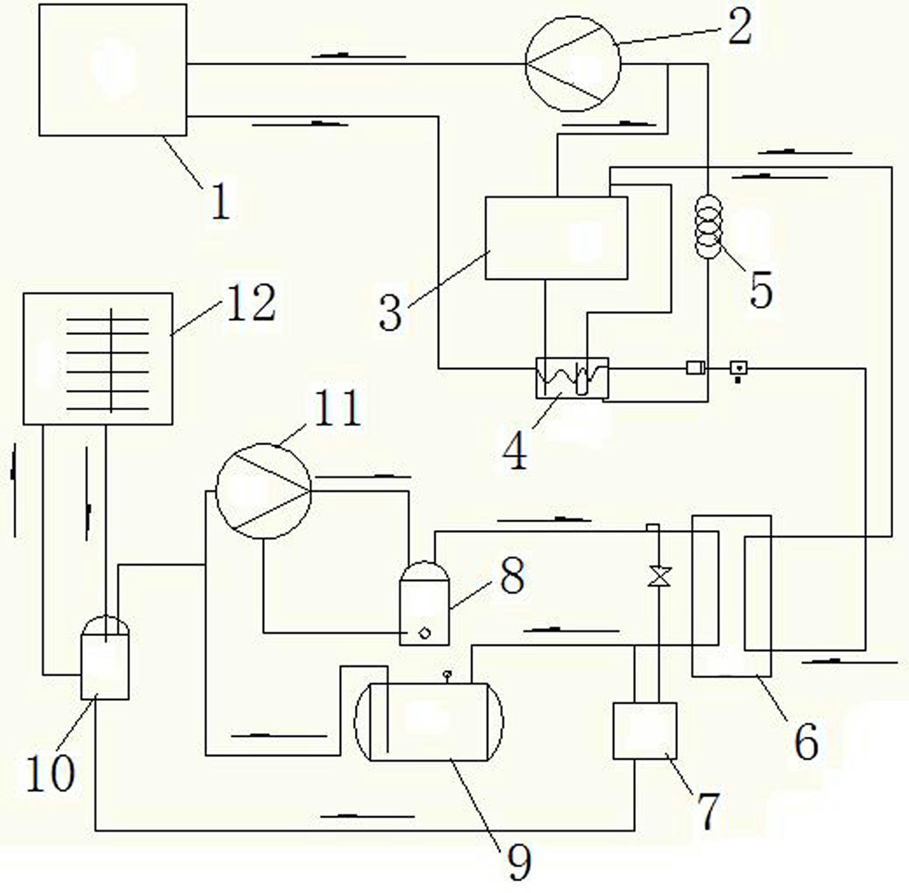
一种复叠冷冻系统-爱企查
图片尺寸1791x1759
加州艺术家 tyler spangler 的复叠彩虹字体作品,鲜艳活泼的配色
图片尺寸700x1023
南宁Ⅲ翡翠时光顶复叠堆楼梯
图片尺寸1080x722
复叠式制冷循环原理
图片尺寸920x690
复叠系统热泵机组的采暖应用实例
图片尺寸642x469
复叠式冷水机组
图片尺寸800x800