实验室蒸发浓缩装置图

(2012·北京理综,8)下列试验中,所选装置不合理的是
图片尺寸579x242
高中化学教材实验总结
图片尺寸858x367
溶媒回收有机溶剂蒸发器
图片尺寸800x813
浅谈化学基础实验装置组合
图片尺寸500x375
蒸发:将溶液加热,使溶剂挥发,剩下固体.
图片尺寸280x425
高中化学几个实验装置图.
图片尺寸150x148
图文解读蒸发浓缩设备详细结构
图片尺寸459x515
蒸发器实验室水浴蒸馏仪高校医院科研化工生物旋蒸仪提纯萃取结晶浓缩
图片尺寸800x800
一种化工浓缩用蒸发装置的制作方法
图片尺寸903x1000
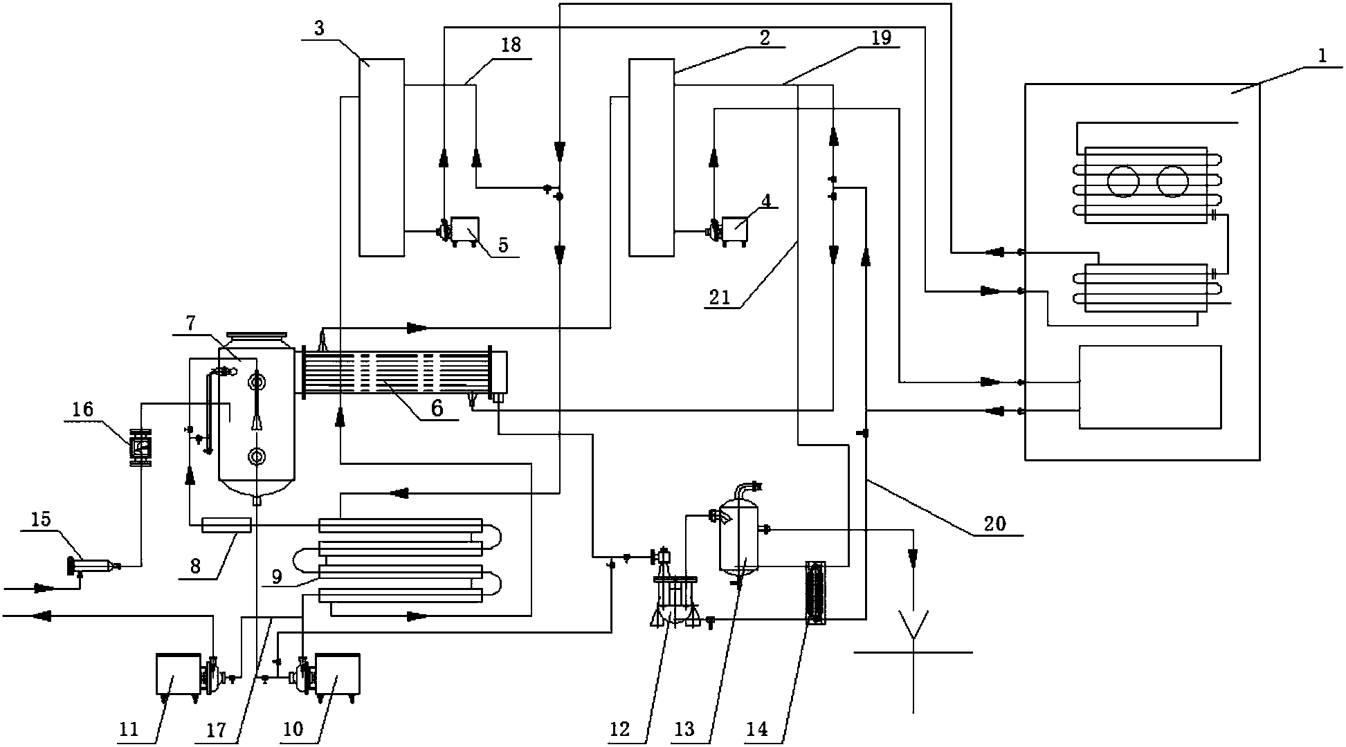
低温浓缩蒸发系统
图片尺寸1945x1080
多种蒸发浓缩设备详细结构汇总
图片尺寸548x499
1. 如图是某同学搭配的蒸发装置.
图片尺寸212x121
mvr蒸发器 工业结晶浓缩 中孚成远环保科技
图片尺寸310x290
mvr蒸发浓缩结晶工艺与多效蒸发浓缩优劣
图片尺寸504x372
微信扫码查看/分享专利 摘要:一种节能型单台装置三级蒸发浓缩冷却
图片尺寸415x600
制蒸馏水的装置
图片尺寸1080x810
【蒸发案例】树脂蒸发浓缩器,树脂废水蒸发浓缩器生产加工设计
图片尺寸680x465
下图是用水蒸气蒸馏法从薄荷叶中提取薄荷油的装置图
图片尺寸498x269
cn87101339a_真空远红外蒸发浓缩机失效
图片尺寸896x901
蒸发 自主探究 精要解读 实验探究
图片尺寸1080x810