导电回路

p>电路:由金属导线和电气,电子部件组成的导电回路,称为电路.
图片尺寸1354x1080
p>电路:由金属导线和电气,电子部件组成的导电回路,称为电路.
图片尺寸811x436
解决方案关于接触网主导电回路检测手段实际应用
图片尺寸325x242
金属导电原理
图片尺寸565x415
变压器等 ) (1)电阻:各种导电材料对通过的电流总呈现一定的阻碍作用
图片尺寸606x534
导电),电路中
图片尺寸487x216
原理图见上图)的原理其实就很容易明白了,也是利用二极管的单向导电性
图片尺寸575x315
断路器导电回路电阻测试仪操作流程
图片尺寸428x238
我们重点讨论其在理想工作状态(即具有理想的单向导电性)下的简单应用
图片尺寸854x1010
电气设备导电回路多触指接触状态检测装置
图片尺寸867x338
pn 结的单向导电性 外加正向电压 p 空穴 变窄 n 电子 r if 外
图片尺寸1080x810
d1为整流,具有单向导电性作用.r1和r2为限流电阻,c1滤波,d2为4.
图片尺寸450x305
多功能导电能力测试仪电路
图片尺寸1485x934
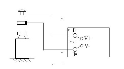
断路器导电回路电阻的测量示意图
图片尺寸350x320
单相半桥vsi电路如图所示,180°导电方式,阻感性负载,t1-t2区间导通的
图片尺寸456x267
展开全部 晶体二极管实际上就是一个p-n结所构成,它具有单向导电性
图片尺寸466x249
工作方式 ①单个pn结的发光二极管具有一般二极管的单向导电特性,常在
图片尺寸769x275
【经典】"地"与"电源"!
图片尺寸886x685
二极管具有单向导电性电路符号是
图片尺寸531x248
图示为整流电源电路,由于二极管的单向导电特性,在交流电压正半周时
图片尺寸425x281