工图沉孔

沉孔的标注沉头孔标注详解
图片尺寸800x1132
cad沉孔如何标注?
图片尺寸682x593
沉头孔标注方法
图片尺寸550x547
非机械行业的人求关于一种沉头孔的标注标注方法
图片尺寸810x594
网站首页 海量文档 建筑/施工 建筑资料沉孔的标注,沉头孔标注详解
图片尺寸792x1120
cad沉头孔的标注方式是什么啊
图片尺寸968x529
gd&t 【小白系列 - 5/200】 - 沉头孔的标注方式 - 知乎
图片尺寸1555x621
沉孔的标注沉头孔标注详解
图片尺寸920x1303
在工程图标注里面怎么 表示沉孔符号
图片尺寸626x318
当前第1页) 你可能喜欢 中心孔深度标准 中心孔加工 中心孔标注 沉头
图片尺寸1080x810
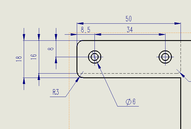
求教工程图中的沉头孔的标注
图片尺寸658x528
螺纹,沉孔标注
图片尺寸764x482
机械制图中沉孔深度,锥形沉孔,柱形沉孔混标柱如何标注?
图片尺寸1232x461
沉孔
图片尺寸447x219
sw异型孔向导din7991锥形沉孔
图片尺寸652x515
机械制图中的沉孔,锪平是什么意思,谁能详细给我说说
图片尺寸500x378
机械设计标注规范:沉孔标注要怎么标注?
图片尺寸410x600
非机械行业的人求关于一种沉头孔的标注标注方法
图片尺寸584x666
solidworks工程图沉头孔标注
图片尺寸659x447
cad沉孔标注,如何标注成图中样式,就是通孔尺寸在标注线上,沉孔尺寸
图片尺寸500x400