差动轮系机构运动简图

机器人工学 周转轮系图例: a)中心轮均不 固定—差动轮系 主要构成: 1
图片尺寸1080x810
差动轮系
图片尺寸522x451
9.6【机械原理考研刷题】行星轮虚约束&差动轮系
图片尺寸1184x740
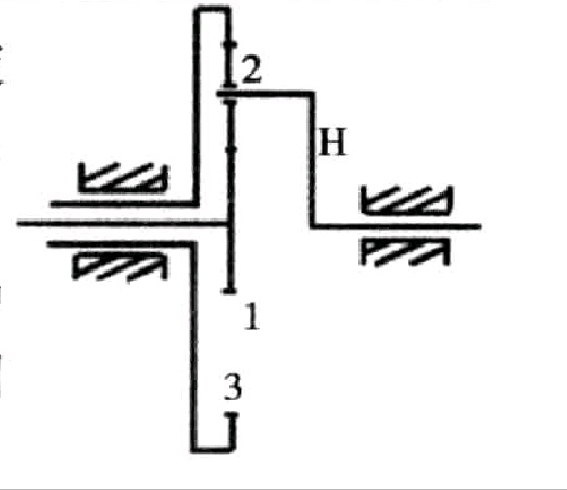
差动轮系的自由度等于2,当给定任意两个构件的确定运动后,另一构件的
图片尺寸225x162
怎么读懂轮系的结构简图?
图片尺寸659x329
一种多功能差动轮系传动演示教具的制作方法
图片尺寸1000x748
4-1 轮系传动的应用与转向的判定ppt
图片尺寸1080x810
简单描述一下:动力自主减速器从动齿轮依次经差速器壳,行星齿轮轴
图片尺寸1280x853
3 ② 行星轮2 ③ 系杆h(也称行星架) 周转轮系 行星轮系 差无忧文档
图片尺寸1080x810
机械设计基础第1章平面机构自由度习题解答 1-1至1-4绘制机构运动简图
图片尺寸496x702
动轴线轮系(也称周转轮系)—在传动时,轮系中有一个或一个以上的齿轮
图片尺寸399x503
行星轮系传动比的计算
图片尺寸921x488
轮系的类型 根据轮系所具有的自由度不同,周转轮系 又可分为:差动轮系
图片尺寸1080x810
机械设计基础自由度有些题不会做啊,有大师在线吗,求解!
图片尺寸426x568
轮系2ppt
图片尺寸1080x810
中南大学 机械原理 机械原理 复习答案ppt
图片尺寸1080x810
机构运动简图符号.doc
图片尺寸1250x1932
机械设计基础自由度有些题不会做啊,有大师在线吗,求解!
图片尺寸426x568
nx902kh差动轮系运动仿真
图片尺寸387x332
差动滑轮
图片尺寸350x200