帕萨特v6点火线圈路图

帕萨特b5汽车电路图
图片尺寸920x1302
帕萨特b5全车电路图
图片尺寸920x1301
第二节 汽车点火系统 - 汽车维修保养网
图片尺寸2287x2352
09年帕萨特领驭发电机电路图,本来就是一条简单的线,就是怎么都没办法
图片尺寸579x1280
一文解析汽车点火系统电路图及工作原理
图片尺寸610x254
车配宝:点火线圈总烧坏?怎么回事_搜狐汽车_搜狐网
图片尺寸879x574
全新帕萨特系列3.0升汽油发动机车型气缸六点火线圈电路图 - 抖音
图片尺寸1080x1516
求老帕萨特b5领驭功放接线定义
图片尺寸316x500
第二节 汽车点火系统 - 汽车维修保养网
图片尺寸3252x1275
帕萨特2.8 v6点火线圈高压线与气缸是如何对应的?
图片尺寸396x519
wsxml编号710电路图气缸一点火线圈全新帕萨特30升汽油发动机车型气缸
图片尺寸1080x1552
8上海大众帕萨特.
图片尺寸964x1280
汽车点火系统的工作原理(汽车点火系统的工作原理与常见故障的检修)
图片尺寸593x343
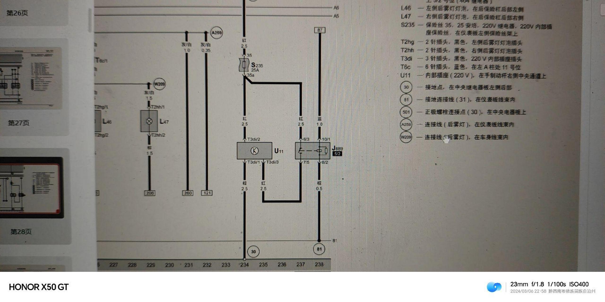
09年帕萨特领驭发电机电路图,本来就是一条简单的线,就是怎么都没办法
图片尺寸2560x1280
一零年大众帕萨特启动不着点火线圈没有电有油
图片尺寸1224x1632
汽修发动机 点火系统 三章节
图片尺寸1159x652
帕萨特点火线圈如何拆装
图片尺寸500x666
初级线圈电路通电,电流从蓄电池的正极经点火开关,点火线圈的初级线圈
图片尺寸1418x688
更换缸线 点火线圈 ngk火花塞汽车保养与维修
图片尺寸720x1280
09年帕萨特领驭发电机电路图,本来就是一条简单的线,就是怎么都没办法
图片尺寸2560x1280