帮条焊长度

帮条焊接规范要求
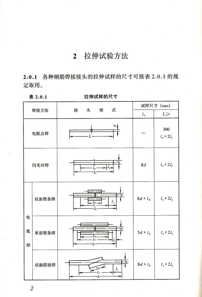
图片尺寸700x400
钢筋连接之帮条焊
图片尺寸920x1302
帮条焊搭接焊规范要求
图片尺寸920x1303
钢筋电弧焊帮条焊和搭接焊是什么?
图片尺寸690x246
(2)帮条焊:用于直径≥10mm钢筋(同搭接焊)
图片尺寸417x717
京东触屏版
图片尺寸688x1010
单面焊双面焊帮条焊(共3页)_第2页
图片尺寸920x1302
帮条焊焊缝厚度尺寸s不得小于主筋直径的0.
图片尺寸655x268
现货供应高品质焊缝规焊缝高度尺正品多功能hjc60型焊接检验尺
图片尺寸750x1145
钢筋焊接及验收规程上面的规定,指的是螺纹钢筋搭接或者帮条焊接长度
图片尺寸471x512
钢筋单面帮条焊接施工
图片尺寸750x1000
江西阳光城丽景湾样板
图片尺寸1080x493
帮条焊搭接焊规范要求
图片尺寸893x304
钢筋焊接搭接长度表
图片尺寸560x409
钢筋焊接及帮条焊样板样板引路 追求卓越止水带安装展示牌钢筋焊接
图片尺寸639x670
焊条直径和焊接电流选择表 搭接焊,帮条焊| 焊接位置|钢筋直径(mm)
图片尺寸496x702
4.3-b).搭接长度可与本规程表4.4.2帮条
图片尺寸649x234
钢筋电弧焊帮条焊和搭接焊是什么?
图片尺寸546x351
加工丨不锈钢焊条选用表
图片尺寸1080x864
平角焊实习教学教案
图片尺寸628x897