干簧管液位计工作原理

uhz-519干簧管液位变送_磁性液位计-江苏宏仪自动化仪表有限公司
图片尺寸439x717
干簧管液位计工作原理是什么
图片尺寸852x498
干簧管式浮球液位计接线方式
图片尺寸524x540
磁翻板液位计利用干簧管进行远传的原理及相关产品选择要点
图片尺寸742x364
差压液位计
图片尺寸1435x909
浮球干簧管开闭原理.png
图片尺寸600x287
干簧管液位计工作原理是什么
图片尺寸651x598
磁浮子液位计的组成:一,磁浮子液位计的组成及工作原理:远传式磁浮子
图片尺寸540x544
图1静压投入式液位计工作原理图2 超声波液位工作原理内的电容
图片尺寸410x413
缓慢打开上引线手阀,使得气相进入液位计冲洗干净之后,关闭液位计放空
图片尺寸867x496
顶装磁翻柱液位计厂家
图片尺寸844x492
通过干簧管磁浮球液位开关实现液位测量中的原理介绍
图片尺寸867x598
差压式液位计工作原理图
图片尺寸500x312
主页 新闻资讯 原理: 浸在液体中的浮筒受到浮筒液位计向下的
图片尺寸298x342
干簧管式水位传感器原理结构图
图片尺寸600x591
差压式液位计测量系统原理图
图片尺寸536x205
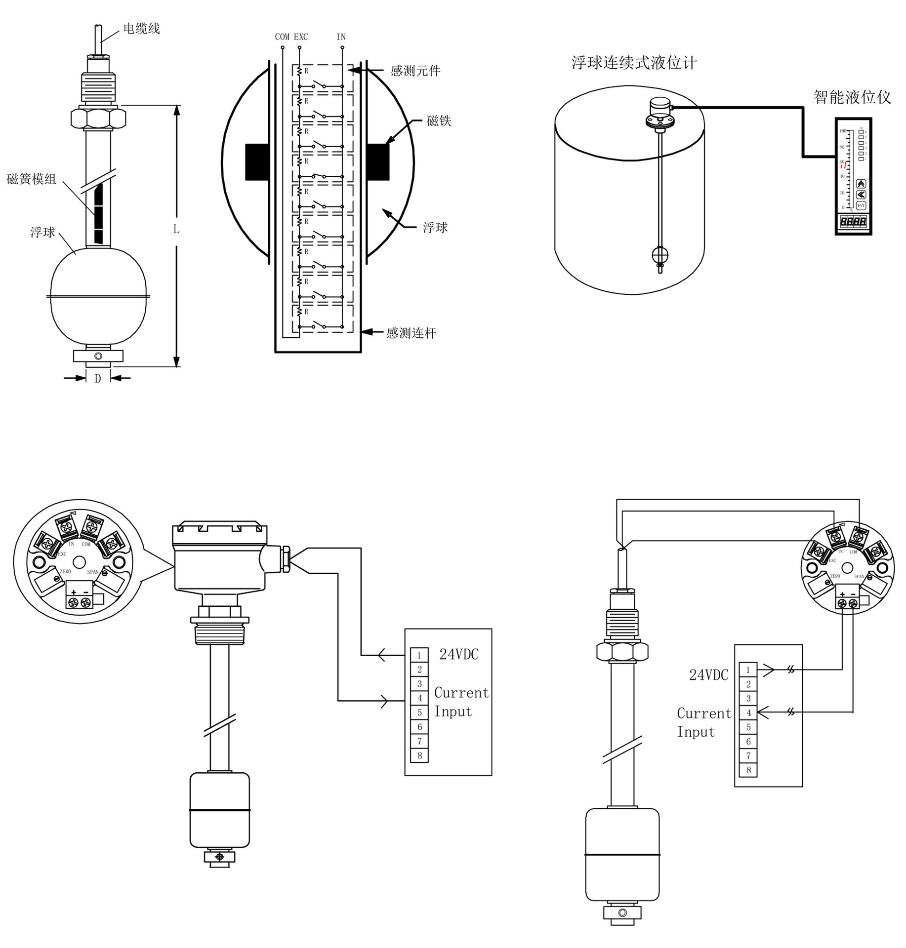
厂家直销干簧管磁阻浮球液位计4-20ma电远传浮子连续式油水传感器
图片尺寸1834x1920
uhz-58/s-uk浮球液位计uhz-58/s-uk 是导管内装有多个干簧管组件
图片尺寸543x240
一,远传型磁性浮子液位计的概述 现场指示精度:±10mm 工作
图片尺寸750x588
一般常用锅炉汽保差压液位计原理
图片尺寸800x1132