开槽盘头螺钉连接画法

国标 螺钉 开槽盘头螺钉
图片尺寸700x286
gb82388十字槽小盘头螺钉
图片尺寸778x463
连接画法ppt ⒋ 螺钉 规定标记: 例: 螺钉gb/t 65 m12×l 开槽
图片尺寸1080x810
jis b1130-2012 开槽盘头螺钉和小平垫圈组合
图片尺寸2245x1387
din9222012开槽小盘头圆柱端螺钉
图片尺寸600x267
gbt26722017内六角花形盘头螺钉
图片尺寸500x500
iso105101999开槽盘头自攻螺钉和平垫组合c型
图片尺寸2245x1387
851990din851990开槽盘头螺钉851990
图片尺寸546x332
开槽大圆柱头螺钉cns43561980
图片尺寸600x483
十字槽盘头螺钉(彩)价格
图片尺寸720x411
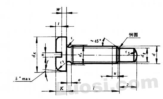
开槽盘头螺钉
图片尺寸600x236
开槽盘头定位螺钉gb82888
图片尺寸530x321
螺纹连接图—螺纹紧固件画法
图片尺寸517x262
din 6900-2-1990 开槽盘头螺钉,大平垫和波形弹性垫圈 组合
图片尺寸2245x1387
盘头螺栓
图片尺寸680x448
十字槽盘头螺钉图纸
图片尺寸518x498
螺栓螺帽螺钉紧固件及其连接画法
图片尺寸640x480
din690041990开槽盘头螺钉和外锯齿锁紧垫圈组合
图片尺寸2245x1387
十字盘头螺钉
图片尺寸561x294
螺纹连接件画法图解
图片尺寸973x389