开路电路

电路的三种状态——通路,开路,短路,学霸也有可能犯的错误
图片尺寸640x431
恒流电路的开路检测
图片尺寸2161x2410
电路基础,求开路电压和电流,还有那个电阻上有电压是什么意思?求详细
图片尺寸960x960
电路如图所示如果电容图开路电路的电压放大倍数将
图片尺寸729x472
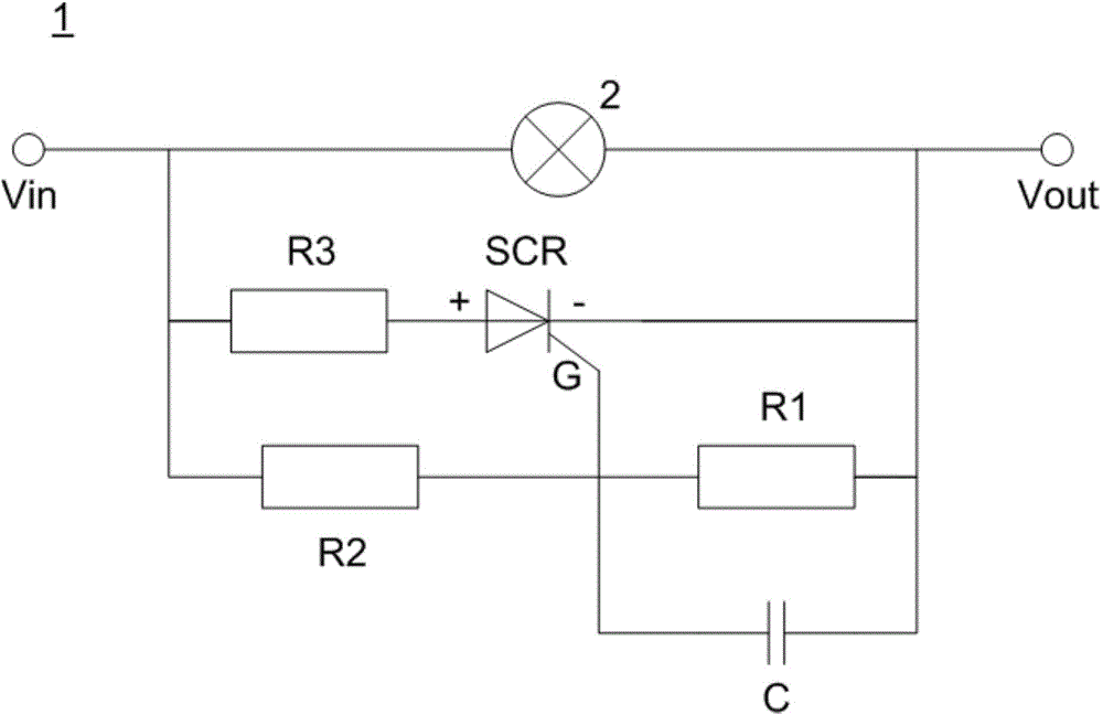
一种开路保护电路
图片尺寸1947x1238
求电路的开路电压
图片尺寸773x748
某放大电路在负载开路时的输出电压为4v,接入12k 的电阻后,输出电压降
图片尺寸473x236
初中电学的短路就是说电路中的用电器(电阻)的两个接线端被一导线直接
图片尺寸450x281
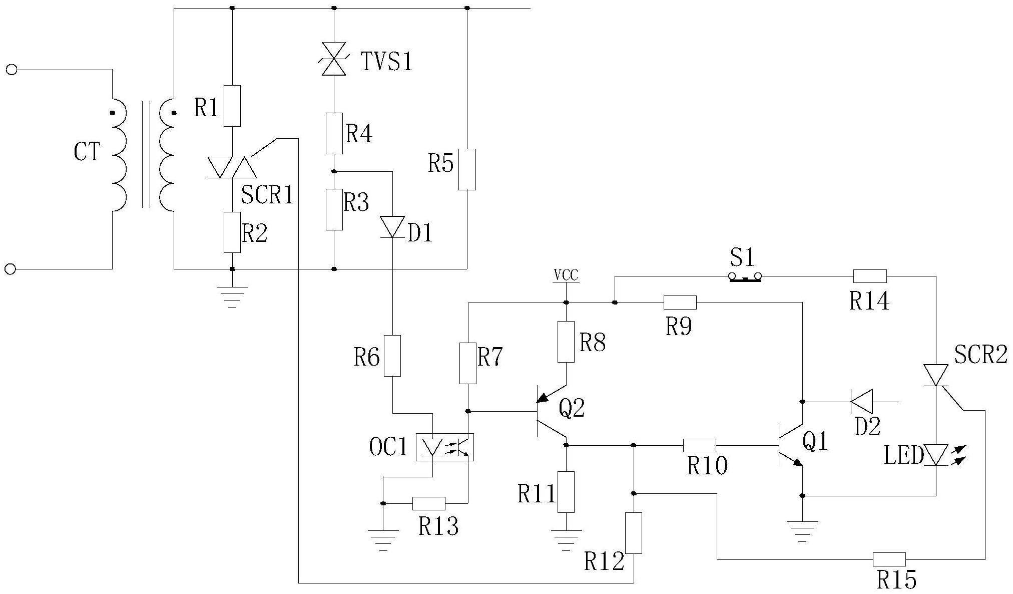
包括开路检测电路,开路执行电路,保护控制电路以及告警电路;所述开路
图片尺寸2024x1186
二,集电极开路晶体管电路
图片尺寸1080x666![答案及解析:[单选题]图示电路中山处接电压源而2处对外开路,则u2=0的](https://imgs.wantubizhi.com/img/A1A61BAA66193547F3A6DD7D8EE527E9910597DEDB1997E1E83B4ED699E8388F63C775AE3328B7FCB2620D9CBCBAB77DF5B67F3DF9D2E1D8D92AFC9384131268D5C031E1DE171C575918E551AB9867B15385D1C677F5F7E2B73AB233364886D7)
答案及解析:[单选题]图示电路中山处接电压源而2处对外开路,则u2=0的
图片尺寸947x526
开关没闭合 电线断裂 在某处断开的电路叫开路
图片尺寸1080x810
什么是漏极开路?什么是上拉电阻·电路,下拉呢?
图片尺寸600x400
这是什么功能电路,r d1 d2各有什么作用,当d1开路后会有何害处
图片尺寸780x1040
典型的集电极开路电路推挽输出电路原理图
图片尺寸241x190
「涨知识」详解集电极开路电路
图片尺寸640x401
开路短路断路的区别是什么-本地惠生活
图片尺寸500x349
集电极开路电路工作原理讲解
图片尺寸948x1002
三,集电极开路电路--ttl 门
图片尺寸1080x1063
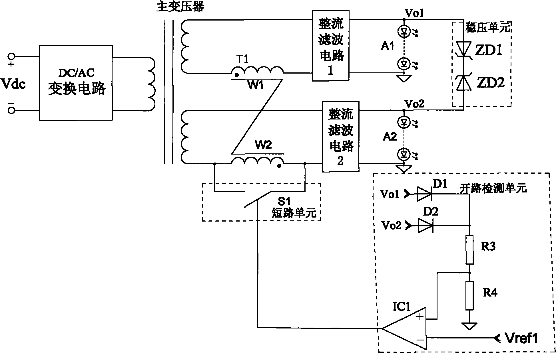
cn105228285a_一种开路保护电路及具有该开路保护电路的照明系统
图片尺寸1000x648