开门按钮接线图

380正反按钮开关接线图第1页
图片尺寸1024x1001
一台电机连接两个按钮开关线路的方法讲解
图片尺寸640x475
蓝牙 远程 实时访客密码开门物业管理4g密码门禁机xzk-lu9301b
图片尺寸1000x531
门禁出门按钮开关接线方法
图片尺寸547x275
开门按钮接线2
图片尺寸271x420
依爱手动按钮接线图
图片尺寸871x453
三联按钮内部接线图
图片尺寸800x800
台优定制适用道闸手动开关三联按钮停车场卷闸电动伸缩门线控自复位升
图片尺寸800x800
厂家直销按钮开关卷帘门卷拉门卷闸门卷栏门开关三联按钮
图片尺寸800x800
bfasbfa电动阀门控制器bfas_接线图分享
图片尺寸552x444
开门按钮这头接的是gnd跟push.
图片尺寸749x763
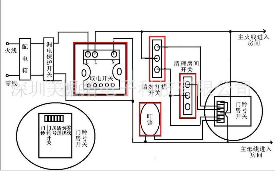
酒店客房门显,电子门显,门铃开关,智能门显门牌厂家,门铃厂家
图片尺寸903x562
开门按钮按下就开门,松开为什么停几秒才上锁
图片尺寸640x392
开门按钮接线图门禁按键功能图解门禁系统接线图门磁开关怎么接线图
图片尺寸1345x1786
电动卷闸门控制原理图
图片尺寸1145x849
青鸟消防62系统产品接线图之防火门监控系统
图片尺寸1080x1347
自动门五档程序开关产品图片_接线图分享
图片尺寸2291x1474
海康威视别墅单元人脸门口机接门锁及开门按钮的接线方法
图片尺寸800x392
创安门控ca-dy12y-a接线图
图片尺寸800x548
以上5种类型都是识别开门卡的类型.还有识别房间号和识别事件类型.
图片尺寸640x527