异或门电路

异或门电路图
图片尺寸660x422
coms异或门电路,求分析,x为什么是那个我懂.l的表达式就不懂了
图片尺寸412x361
信息与通信 > 异或门d触发器 传输门 异或门 与非门 集成电路 版图
图片尺寸980x477
组合逻辑电路的分析方法和种类
图片尺寸3180x1470
这个电路就是"异或门"电路,y=a⊕b ,网上很容易搜到这个电路.
图片尺寸450x309
设计思想:先研究异或的基本逻辑,在设计由基本逻辑门构成的异或门电路
图片尺寸1362x802
ttl异或门电路如下图:2021-03-16 11:02:47ttl异或门我要提问问答下载
图片尺寸2432x2185
69 电路设计论坛(数字/模拟) 69 电路设计资料 69 异或门这样子
图片尺寸488x410
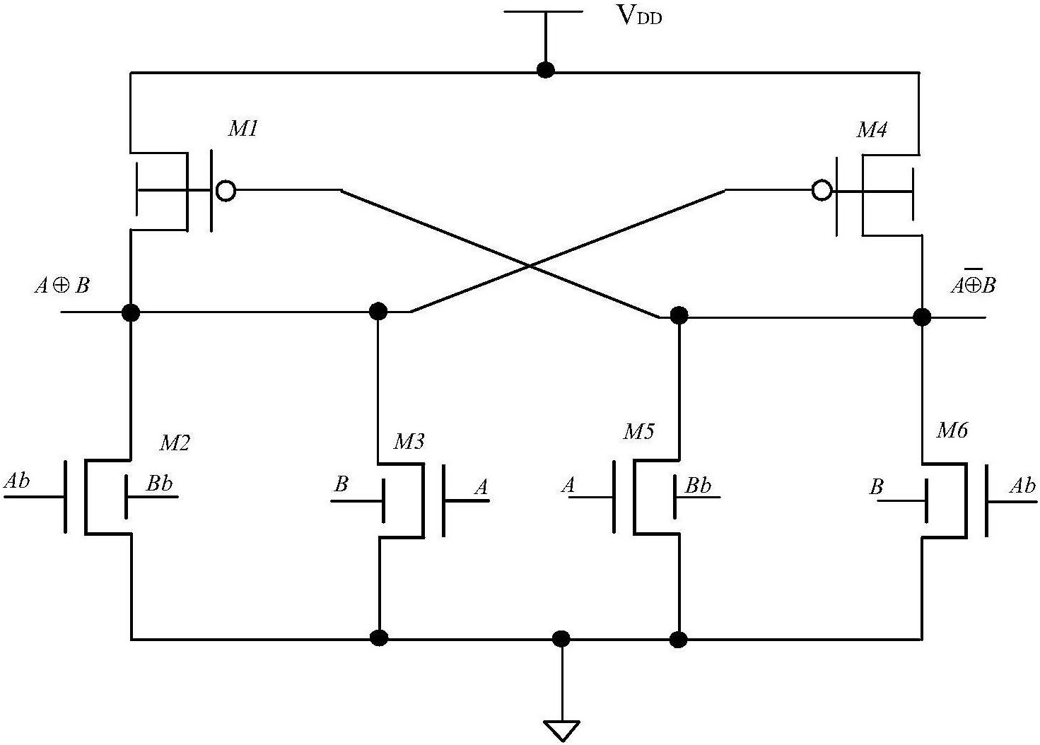
一种基于finfet器件的异或同或门电路
图片尺寸1471x1054
的,下图是一个完整的电路:至此,一个完整的cmos异或门电路设计完成
图片尺寸393x289
怎样用电路符号表示异或门
图片尺寸655x747
请用基本逻辑门实现异或逻辑画出逻辑图
图片尺寸500x676
异或门电路怎么看
图片尺寸335x229
异或转成非门 - csdn
图片尺寸1267x587
lab 20 异或门设计
图片尺寸796x537
异或门cd4070门电路及其应用-或非门cd4001-四异或门cd4070电|2016-09
图片尺寸252x233
用异或门控制振荡的频率
图片尺寸1331x351
cn105375916a_一种改进的异或门逻辑单元电路在审
图片尺寸517x582
或门电路介绍
图片尺寸308x378
直接用晶体管而不是逻辑门实现异或门,并解释这个电路是如何工作的.
图片尺寸1213x1190