戴尔e6230维修图纸

dell台式机电源电路图
图片尺寸1633x1226
dell台式电动电路图
图片尺寸707x500
dell n4030 ati独显 版号dj1 09259-1图纸_笔记本维修论坛_迅维网
图片尺寸1031x641
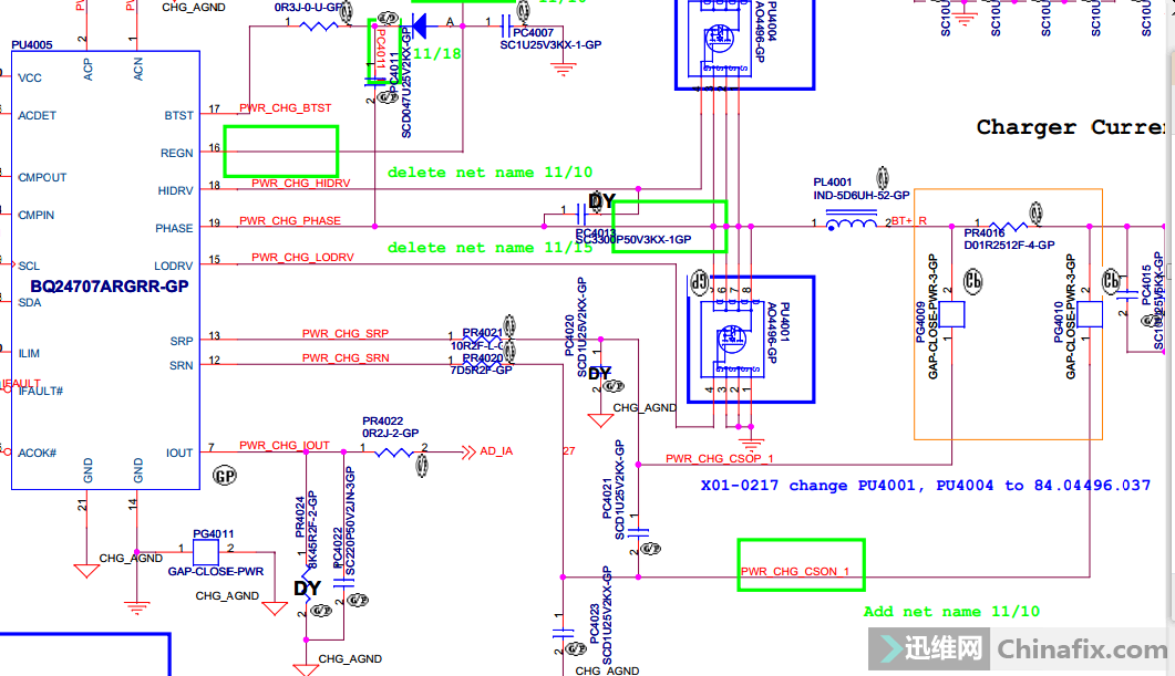
dell戴尔服务器电源电路图
图片尺寸955x701
电脑开关电源电路图大全
图片尺寸960x1357
求dell电脑 n275p-00电源电路图
图片尺寸1279x729
teardowndellda310初步测试和拆解
图片尺寸2067x1114
戴尔n4050,奇葩板层短路,用适配器壳开机,进系统能检测到电池,电池不
图片尺寸1061x611
dell 13系统笔记本主板的电路图power on sequence(dh3)
图片尺寸1080x810
海尔液晶电视le32b50电源故障维修
图片尺寸640x822
dell 笔记本原理图um8b-park-0210
图片尺寸1192x886
譣8銄9
图片尺寸1584x1223
dell dv14型笔记本,进水后不开机 - 精通维修下载
图片尺寸2103x1957
戴尔n4010型笔记本,不能开机 - 精通维修下载
图片尺寸2445x1446
海尔l26r3电源电路图
图片尺寸1230x880
文档预览查看更多>参数rf connectors / coaxial connectors sma m
图片尺寸1700x1100
dell inspiron 14 n4050 intel独显笔记本电路图pdf图纸-迅维网-维修
图片尺寸1120x773
65_twin_reverb_reissuee73
图片尺寸1968x2941
戴尔n4050型笔记本无法开机 - 精通维修下载
图片尺寸2569x1117
邹浑m
图片尺寸3311x2339