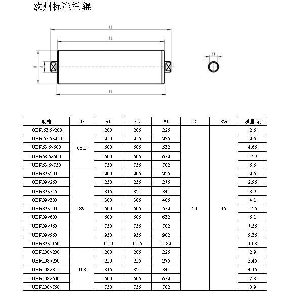
托辊型号

菜子田煤矿皮带机托辊规格型号明细表
图片尺寸658x503
dtii型回程托辊组
图片尺寸700x1107
托辊参数01
图片尺寸1000x2000
批发 新型铸胶立棍 输送机重型包胶缓冲托辊 锥形 摩擦调心托辊
图片尺寸1674x1920
不锈钢槽型托辊 国标耐磨上调心托辊 高效无动力托辊
图片尺寸790x756
高品质槽型托辊生产厂家 欢迎来图定制加工 供应输送机托辊
图片尺寸563x588
工厂直销 输送机托辊,缓冲托辊 量大从优
图片尺寸1311x1920
gcs艾克玛摩擦上调心托辊ls6205φ1082105331根
图片尺寸800x1107
泥之昕输送带无动力普通托辊碳钢锥形滚筒尼龙不锈钢辊子铁托辊配 89*
图片尺寸800x800
厂家直销 皮带机托辊 矿用托辊 规格 108*1600*1650 质量优良
图片尺寸627x498
煤矿用带式输送机托辊尺寸系列
图片尺寸920x1302
38mm无动力托辊输送机配件全套传送带支架辊筒滚筒滑轮滚轮输送带
图片尺寸750x967
铰接托辊
图片尺寸571x517
托辊规格型号一览表
图片尺寸896x587
反v形托辊组dtii型
图片尺寸800x1082
江苏托辊专业厂家 高精度托辊
图片尺寸812x776
厂家供应槽型托辊 耐磨 防水 防尘
图片尺寸595x781
厂价直销dtiia型传动滚筒 头部滚筒 主动滚筒
图片尺寸900x1253
供应槽型托辊组/防尘防水托辊/带式输送机托辊
图片尺寸794x1024
外置改向动力滚筒 电动微型托辊滚筒 流水线输送带传动改向滚筒
图片尺寸1264x1920