抛壳原理

利用缓冲器作用的抛壳挺抛壳动作
图片尺寸752x451
枪械的抛壳原理弹壳是怎样抛出去的
图片尺寸603x482
自动步枪是如何实现抛壳的?
图片尺寸1160x760
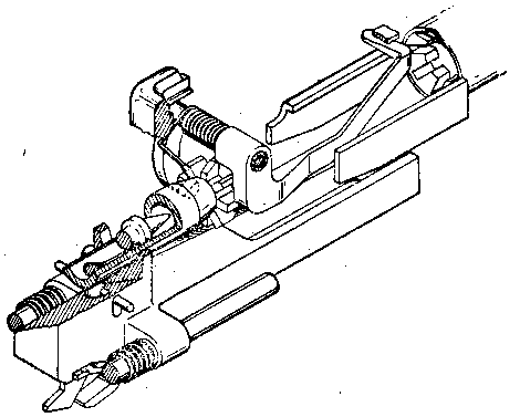
还有就是约束式的抛壳挺在后方机匣内,因此在枪机需要比直推式拉的更
图片尺寸735x500
别管是冲锋枪还是步枪,抛壳原理都一样,重点就是如何枪机后坐和复进的
图片尺寸542x317
此时抛壳挺固定在抛壳窗内部与拉壳钩相对的一侧,并在枪机相应的部位
图片尺寸600x405
自动武器怎么抛壳的,原理是什么?
图片尺寸563x378
原创keltecrfb无托步枪的前抛壳技术95步枪能学吗
图片尺寸617x250
枪械击发,其实很简单的过程,装填-闭锁-击发-开锁-抽壳-抛壳-装填.
图片尺寸500x281
旋转后拉式是依靠后拉枪机时的动能来完成抛壳的吗
图片尺寸1024x683
前苏联"shkas"式7.62mm航空机枪
图片尺寸250x448
种专门研制的近程弹药,冲锋枪采用类似于ak 47的长行程导气式自动原理
图片尺寸640x521
弹匣位于机匣的上方,从下方抛壳.
图片尺寸611x800
小月亮左轮水弹枪仿真手抢手动可发射男孩吃鸡玩具枪抛壳模型高配
图片尺寸800x800
【轻武器科普】柯尔特cmg-1 / cmg-2机枪 - 哔哩哔哩
图片尺寸470x377
抛壳枪教程(上) 教程,明天出下半部分.原理简单,不会的私聊9090
图片尺寸961x1280![称 气体作动式(gas action) [1]是一种枪机运作的原理与方式](https://imgs.wantubizhi.com/img/ADDA3C5D760C6828B77B505A29D43E83688EA921FE9196B22B43E9DD21A0D16E6C26AEC19878B6551AA0F81A77661547DE495148F0A28378AE67D34F96A4A09E8A529C112D1B571E7C47BBF6174B8ECBE9159795C2392491FFD8D3E527F7E6AC)
称 气体作动式(gas action) [1]是一种枪机运作的原理与方式
图片尺寸400x376
不管是自动武器,半自动武器还是栓动步枪,它们的抛壳原理都是这样的.
图片尺寸450x253
新年尼龙合金1014成人玩具抛壳软弹玩具枪男孩吃鸡模型黑金标配20弹6
图片尺寸790x888
自动武器怎么抛壳的,原理是什么?
图片尺寸906x486