挖掘机支重轮图纸
 - 一种轮式挖掘机及其行走转向方法与流程图片尺寸868x1000
 - 支重轮装配图片尺寸820x580
 - 某小型挖掘机支重轮漏油原因及改进措施图片尺寸993x775
 - cn202400184u_一种结构紧凑的挖掘机单边支重轮失效图片尺寸1598x1139
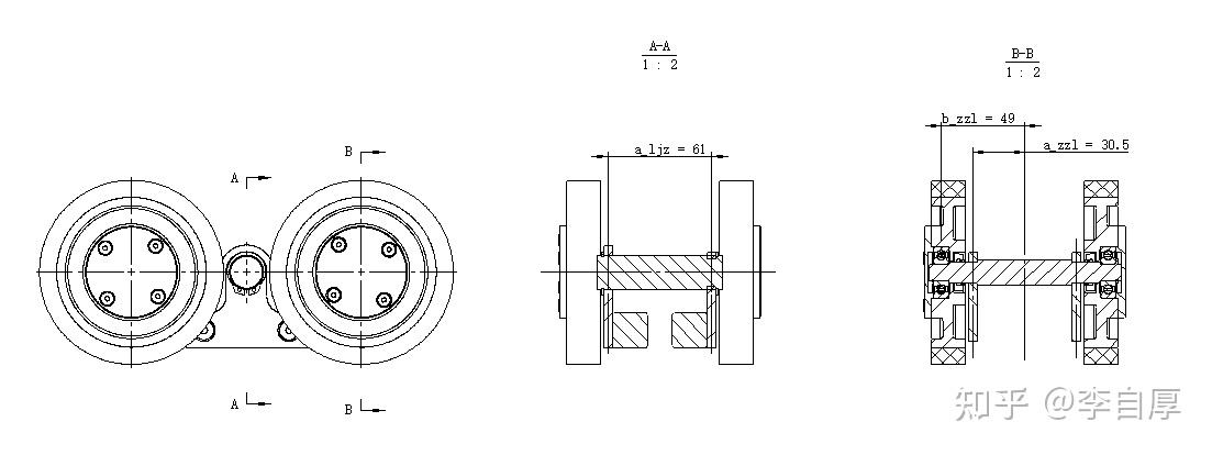
 - 45吨旋挖钻机底盘支重轮与引导轮的设计【cad高清图纸和说明书全套】图片尺寸1200x800
 - 挖掘机支重轮属性综述及损坏原因分析图片尺寸385x400
 - 一种可拆式支重轮的制作方法图片尺寸1000x843
 - 一种带油封支重轮图片尺寸800x1203
 - cn2926008y_履带自走式稻麦联合收割机行走系统的支重轮失效图片尺寸986x961
 - 作用是支撑着挖掘机与推土机的重量,让履带沿着轮子前进,支重轮用螺钉图片尺寸1000x495
 - 大型挖掘机的主动轮制造技术图片尺寸960x1000
 - 驱动轮, 支重轮, 托链轮, 履带图片尺寸1080x810
 - dls880-9a 8吨轮式液压挖掘机图片尺寸680x394
 - 挖掘机履带支重轮装配图图片尺寸291x218
 - agv履带式底盘理论设计5拖链轮支重轮理论设计图片尺寸1103x414
 - dls1009a10吨轮式液压挖掘机图片尺寸680x415
 - 轮式挖掘机-wly3.0 - autocad普通工程机械图纸 - 沐风图纸图片尺寸300x225
 - abg8620摊铺机支重轮包您满意图片尺寸690x395
![挖掘机底盘履带,支重轮,拖链轮的设计[三维proe]【含cad高清图纸和](https://imgs.wantubizhi.com/img/735A5D1F980B52A636CC46F12F2D1A73B56F6EC1A2FE2E44D043712216D8C7224D95D14618B1F5A8D629675B18F157C948DB2B8901C056E39A1D2D744540DB08192DA3DB6322564F0503DA78B72AC8827385BF20F1EE149C0EEBCA743E19C34F) - 挖掘机底盘履带,支重轮,拖链轮的设计[三维proe]【含cad高清图纸和图片尺寸1200x800
 - 轮挖-ht145w全液压轮式挖掘机图片尺寸676x604