换向回路

8. 换向回路
图片尺寸720x480
1单作用气缸的换向回路doc42页
图片尺寸792x1120
换向器有什么用
图片尺寸626x444
换向回路的方式原理以及常见种类类型
图片尺寸448x357
9. 换向回路2
图片尺寸640x480
换向器及其作用 e a f e f e a f 无电流 b a b 流向f半环 _ b
图片尺寸1080x810
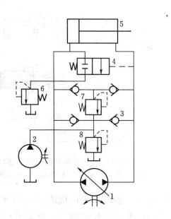
插装换向阀控制回路
图片尺寸1103x1090
图4. 单作用缸换向回路
图片尺寸333x369
第三节 换向回路
图片尺寸960x552
液压油缸换向和速度换接回路在多轴组合钻床液压系统的选择
图片尺寸1380x759
换向回路
图片尺寸430x256
单作用气压缸换向回路
图片尺寸972x589
方向控制回路之换向回路
图片尺寸400x452
换向回路的方式原理以及常见种类类型
图片尺寸441x364
换向回路的方式原理以及常见种类类型
图片尺寸377x459
换向回路的方式原理以及常见种类类型
图片尺寸371x419
单作用气缸换向回路
图片尺寸489x297
63.行程开关和电磁换向阀控制的顺序运动回路
图片尺寸598x348
换向回路
图片尺寸242x310
含有液控单向阀的电液换向回路
图片尺寸272x323