控制图LCL

桥式吊钩起重机电气控制
图片尺寸1476x1488
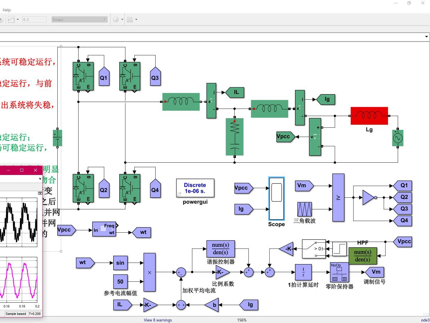
基于数字控制延时的lcl型并网逆变器强鲁棒性加权平均电流控制策略
图片尺寸1440x1080
cn212256090u_液动限流自动控制系统有效
图片尺寸1869x1272
一种水电站闸门远程控制系统
图片尺寸1705x1047
基于噪声检测的反接制动控制电气线路制造技术
图片尺寸996x1000
控制阶段工具:控制图(spc)
图片尺寸1080x810
如何设计一个自动控制系统(设计一个简单的自动控制系统) 第1张
图片尺寸1000x946
一种基于lcl滤波的三相有源电力滤波器及其控制方法与流程
图片尺寸1000x567
控制逻辑图ppt
图片尺寸1080x810
对于电容三点式震荡电路,引起振荡的电容为什么不能等效为交流短路.
图片尺寸962x615
lcl型并网逆变器采用并网侧电流反馈有源阻尼控制策略的参数设计及
图片尺寸2881x2160
系统控制图
图片尺寸613x466
plc在电梯控制系统中的应用
图片尺寸700x527
lcr图纸
图片尺寸1783x1264
cpk为什么要大于133转发获取资料
图片尺寸640x657
中德睿咨询控制图原理
图片尺寸720x480
控制图原理 一,控制图的结构 样 本 统 计 量 数 值 ucl cl lcl 1 2 3
图片尺寸1080x810
工业自动可编程控制柜
图片尺寸649x475
一种lcllc滤波器及其参数设计
图片尺寸458x347
弱电网下lcl型并网逆变器的电容电压陷波器前馈控制策略simulink仿真
图片尺寸1440x1080