推力球轴承画法

滚动轴承的画法
图片尺寸1774x1933
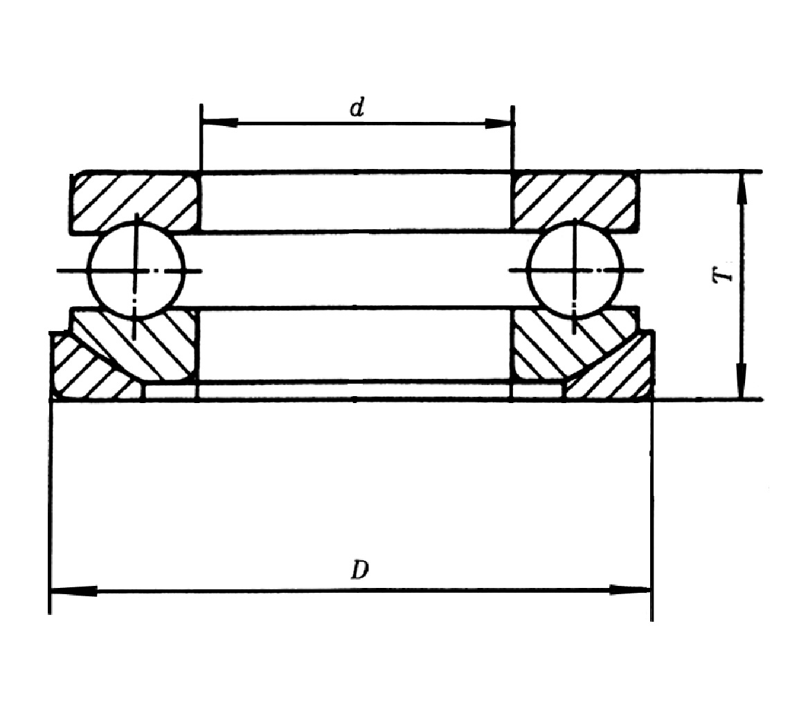
23442347系列双向推力角接触球轴承
图片尺寸2774x1880
一种推力角接触陶瓷球轴承的制作方法
图片尺寸1000x450
23442347系列双向推力角接触球轴承
图片尺寸2057x1496
滚动轴承的特征画法与规定画法向心推力轴承——同时承受轴向和径向
图片尺寸564x484
轴承怎么画简笔画
图片尺寸500x460
33.3讲轴承的画法
图片尺寸1728x1080
滚动轴承的画法有哪些?
图片尺寸578x774
滚动轴承的画法
图片尺寸662x1310
推力圆柱滚子轴承_推力轴承_洛阳鸿元轴承科技有限公司
图片尺寸2116x774
轴承画法
图片尺寸893x408
53222u-18222-推力球轴承-53000u带球面座圈的外调心推力球轴承
图片尺寸1141x1044
向心推力球轴承
图片尺寸640x640
向心推力球轴承
图片尺寸640x640
推力调心滚子轴承图详解
图片尺寸427x575
54320-58320-推力球轴承-54000外调心双向推力球轴承
图片尺寸981x1039
滚动轴承表示法
图片尺寸1763x634
「轴承知识」轴承画法全图解,你都能看懂吗?
图片尺寸1280x598
fbsa208/db轴承
图片尺寸780x340
常用的单列深沟球轴承,单列圆柱滚子轴承,圆锥滚子轴承,推力角接触球
图片尺寸1080x1634