摆线针轮减速机图纸

xwd8摆线针轮减速机
图片尺寸557x393
摆线针轮减速机结构图
图片尺寸1200x649
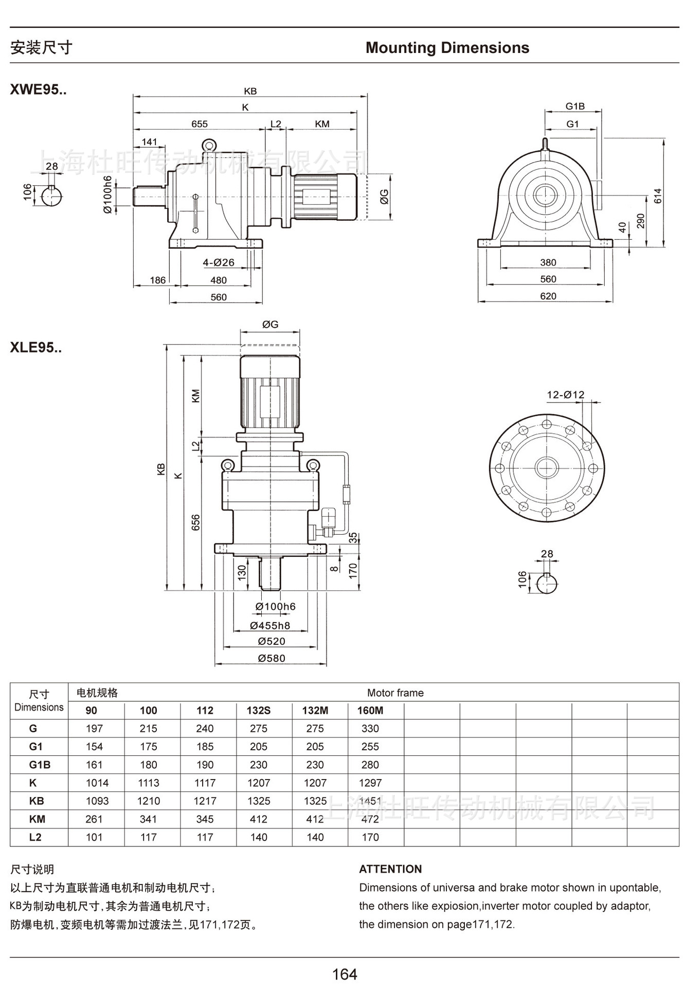
xwed95摆线针轮减速机 双级bwed3922型bwed.
图片尺寸1332x1920
北京 摆线减速机 小齿轮减速机 传动 机
图片尺寸1395x1920
通轴式摆线针轮减速机
图片尺寸1792x1795
求图片:摆线针轮减速机(型号bld3-17-4 )结构图
图片尺寸650x473
bld2摆线针轮减速机装配图下载(119.52k,dwg格式) 机械cad图纸
图片尺寸412x589
sb双摆线针轮减速机资料
图片尺寸681x470
cn2563358y_摆线针轮减速机失效
图片尺寸2880x2272
摆线针轮减速机原理与参数拆卸步骤和安装顺序
图片尺寸420x272
xl单级立式摆线针轮减速机
图片尺寸950x442
wbe-ws型微型摆线针轮减速机
图片尺寸950x582
摆线针轮减速机的结构原理
图片尺寸1007x672
特国斯摆线针轮减速机
图片尺寸728x515
wb-l微型摆线针轮减速机
图片尺寸950x385
xley双级摆线针轮减速机
图片尺寸950x498
x4摆线针轮减速机图纸
图片尺寸651x462
bly单级摆线针轮减速机
图片尺寸950x470
z系列行星摆线针轮减速机外形及安装尺寸(一)(jb-t2982-1994)
图片尺寸600x352
摆线针轮减速机的保养和维修
图片尺寸600x322