散装水泥罐内部结构图

1500立方米内浮顶储罐套图
图片尺寸1200x800
罐体结构图
图片尺寸485x576
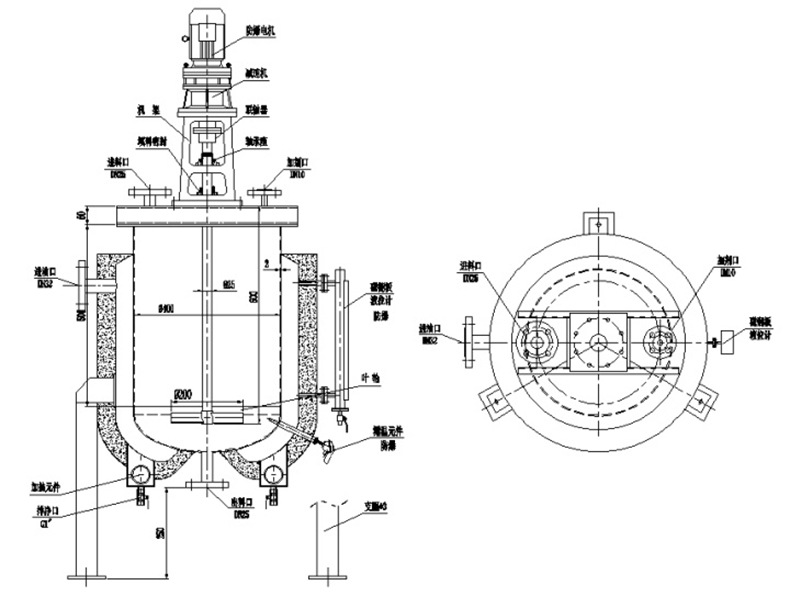
真空分散罐
图片尺寸589x747
各种型号水泥罐仓 工程用60t碳钢混凝土储罐 散装粮食预存仓 定制
图片尺寸750x946
(加热或冷却) 3,外盘管搅拌罐 4,夹套内盘搅拌罐(加热/冷却一体) 结构
图片尺寸790x608
cn212502054u_一种保持内部干燥的固井灰罐
图片尺寸825x1000
上汽红岩48方粉粒物料运输车45方干混砂浆运输车散装水泥罐车厂家价格
图片尺寸757x451
预拌砂浆储存罐
图片尺寸1000x1011
当散装水泥罐的工作,必须由特殊起重机帮它站起来,然后把预商品混凝土
图片尺寸1132x800
300吨水泥罐图纸30300t水泥罐图纸打包下载
图片尺寸2496x1696
60储罐结构图(最终版)
图片尺寸414x590
高强度水泥罐
图片尺寸988x1705
几种储罐的结构
图片尺寸755x520
60吨散装水泥罐cad总图 - 60吨散装水泥罐cad总图.dwg
图片尺寸820x560
混凝土水泥仓 工地用沙子水泥储料仓 散装水泥料仓罐
图片尺寸800x1227
一种污泥混合浓缩排放一体罐
图片尺寸1686x2003
罐体结构图
图片尺寸820x669
稀配罐系列
图片尺寸412x338
一种污泥浓缩罐制造技术
图片尺寸538x515
cn202924730u_内浮球式硫封罐有效
图片尺寸1000x902