数据线typec接线图

typec公头数据线接线图
图片尺寸500x370
usb接口定义 | usb type c接口定义 | 制作type a转type c充电-数据线
图片尺寸871x545
usb type-c接口详细定义,自制type-c转3.5mm耳机转接线 - 码上快乐
图片尺寸640x331
usb接口定义 | usb type c接口定义 | 制作type a转type c充电-数据线
图片尺寸718x5139
0 转 type-c数据线.主板usb 9针转 - 抖音
图片尺寸800x800
1特有的type-c数据线接口定义
图片尺寸1024x742
苹果设计高端数据type-c接口不走寻常路
图片尺寸587x408
typec数据线接口定义破译超级快充改普通线为快充线
图片尺寸532x278
typec接线顺序
图片尺寸500x324
type c数据线拆解图
图片尺寸445x627
usb type c跟type a, micro b做数据线的线路图
图片尺寸545x493
细节上的优势 暴力拆解尊客罕匠2 type-c数据线
图片尺寸640x426
别开生面的较量三款typec数据线对比测评
图片尺寸640x424
原创typec接口详细定义教你把typec改成otg数据线
图片尺寸912x1150
qc3.0手机快充数据线 9芯快速充电线 编织尼龙数据线厂家
图片尺寸789x1030
usbtypec接口详细定义教你把typec数据线改成otg数据线
图片尺寸532x361
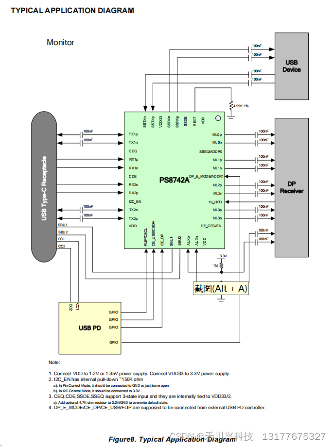
ps8742bqfn40gtr-a1 parade(谱瑞科技) type-c接口数据切换开关芯片
图片尺寸685x919
usb type-c接线图_接线图分享
图片尺寸1695x1045
typec数据线拆解及接线图文详解
图片尺寸500x318
type-c公母头测试板双面插排针#24p公转母座usb3 - 抖音
图片尺寸738x895