数控车床简单创意图案

苏州caxa数控车床课程培训班
图片尺寸700x1452
数控车床怎么车国际象棋里的 王?如图
图片尺寸450x376
数控车床实训图纸国际象棋图纸全套
图片尺寸920x1302
数控车床
图片尺寸530x362
数控编程视频教程车床铣床加工中心g代码手工实例车工机床操作-学习
图片尺寸750x999
精诚匠心丨宝鸡机床集团开展第二届职工创意作品展_数控机床,加工中心
图片尺寸1080x696
数控车床编程 会的来帮忙编个
图片尺寸481x454
华中世纪星数控车床编程与仿真操作实例04:轴套
图片尺寸511x516
匠心智造秦川宝鸡机床开展第二届职工创意作品展
图片尺寸1080x810
车床剪影图片
图片尺寸324x300
里面是不是装着一个红娘子爵品数控木工车床塔
图片尺寸1080x1920
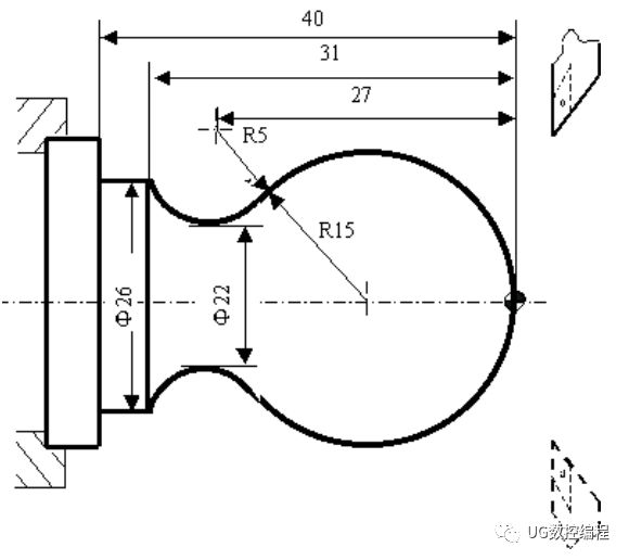
这张图的数控车床编程怎么写?
图片尺寸612x816
数控车床实操图纸题
图片尺寸612x430
数控车床--学生作品展示
图片尺寸1032x1300
数控铣床编程例题概念.doc
图片尺寸792x1120
数控车床加工编程典型实例
图片尺寸500x361
数控车床技能大赛试题3
图片尺寸893x793
数控车床编程实例(doc)
图片尺寸893x376
数控车床编程实例,刀具圆弧半径补偿g42数控编程
图片尺寸580x516
数控车床实训图纸11_第1页
图片尺寸920x651