数电状态转换图的画法

某时序电路的状态转换图如下图所示,若输入序列x = 110101时,设起始
图片尺寸407x299
清华大学数电6时序课件ppt
图片尺寸1080x810
时序逻辑电路的状态转换图怎么画 1 2013-10-28 数字电路中画时序电路
图片尺寸391x319
数电时序逻辑电路状态转换图有时候圈圈内规定q3q2q1有时候是q1q2q3
图片尺寸500x667
能自启动的扭环形计数器的状态转换图
图片尺寸787x346
数电时序逻辑电路状态转换图有时候圈圈内规定q3q2q1有时候是q1q2q3
图片尺寸500x667
(4)74ls194构成电路的状态转换图
图片尺寸435x358
工学 华师在线2014数字电路与逻辑设计作业答案 由状态转换真值表可知
图片尺寸424x340
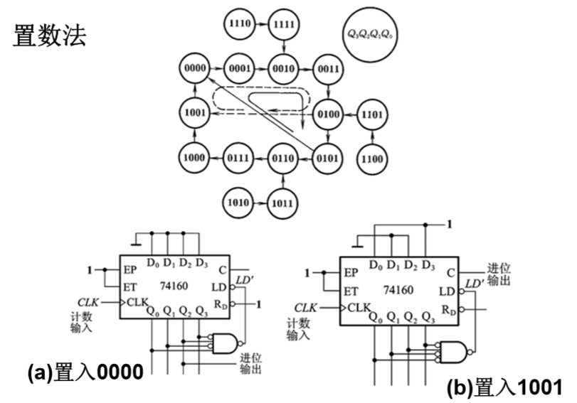
的计数器 功能描述:把输出q3q2q1q0=1011的状态经译码产生预置信号0
图片尺寸882x547
这会有涉及到数字电路设计的有关知识 (5)根据状态转换表 (或状态转换
图片尺寸1080x810
(十七)【数电】(第六章 时序逻辑电路)时序逻辑电
图片尺寸650x415
时序逻辑电路的状态转换表状态转换图和时序图
图片尺寸293x83
第2节同步时序逻辑电路分析
图片尺寸399x191
同步计数器同步二进制十进制可逆数电
图片尺寸780x502
数电,第五章_数电状态转换图-csdn博客
图片尺寸811x567
电子技术 同步时序逻辑电路的设计ppt 数字电子技术 原始状态转换图 0
图片尺寸1080x810
试画出电路的状态转换图,并说明这是几进制计数器,能否自启动.
图片尺寸496x277
设初态为1000,则其状态转换图为注:此电路有几种无效循环,而且一旦
图片尺寸715x349
数电学习(六,时序逻辑电路)(二)_减法计数器状态转换图-csdn博客
图片尺寸1027x417
数电基础5锁存器和触发器
图片尺寸650x427