施普雷特s26电机说明书

sew伺服电机使用说明
图片尺寸606x504
施耐德ats48软启说明书共19页
图片尺寸920x1302
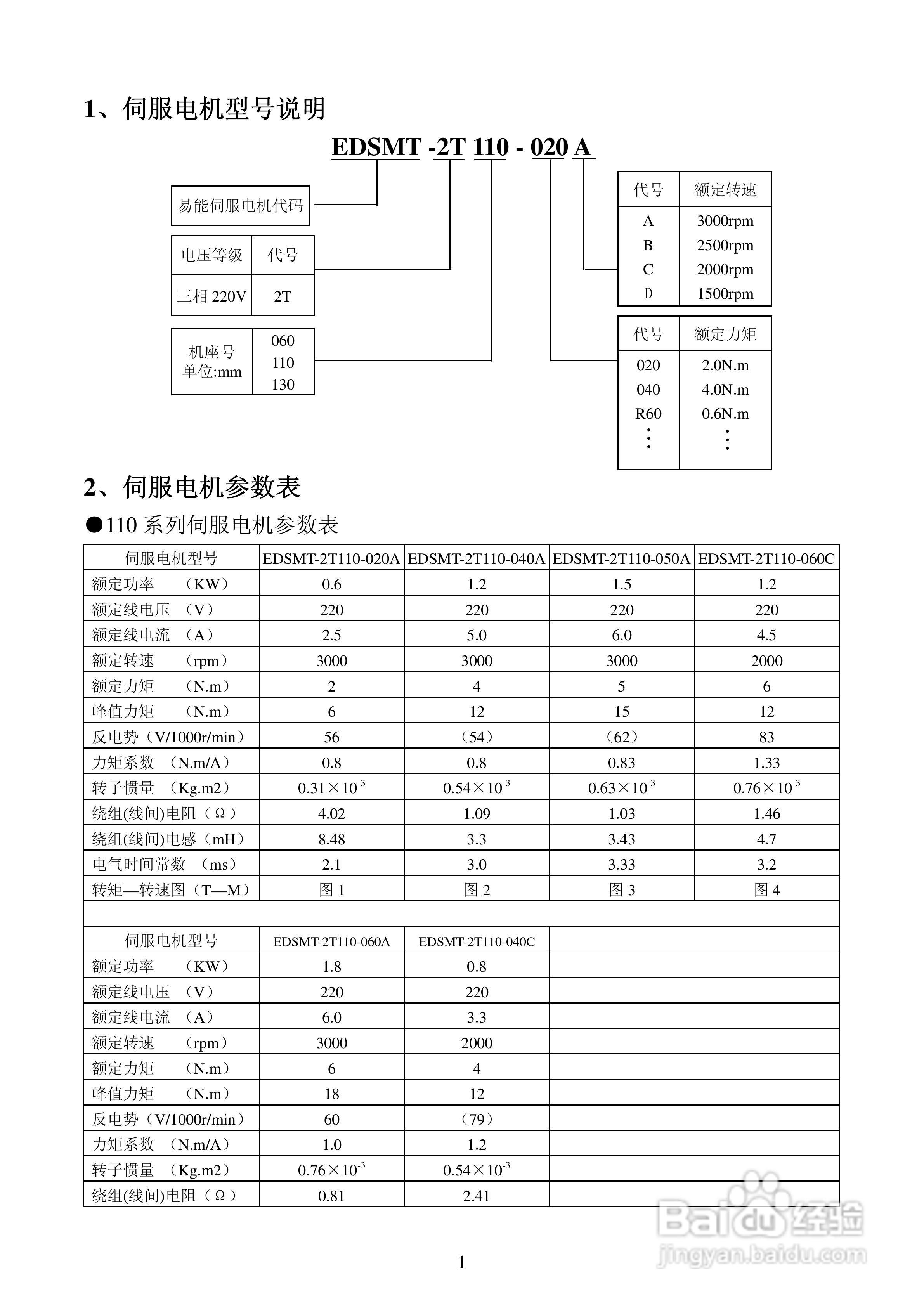
易能eds6000系列伺服电机说明书
图片尺寸2381x3368
台达vfd-e变频器使用手册
图片尺寸2481x3508
施普雷特车库门使用说明书
图片尺寸920x1302
精研电机(jscc) snt200e 内置式模拟版调速器(无数显) yt系列调速电机
图片尺寸1654x2339![630d电子套结机使用说明书:[4]](https://imgs.wantubizhi.com/img/735A5D1F980B52A636CC46F12F2D1A73C0F91E05F124EA482FB393011A7BE108483CB4DFF1B48789C8ABB25A8E0ACA51E105165423E1BA627FD6FA049CB5D086B46CF10614B2356217D598ABA07E52AF475B1B7E5429E5832A9536607A086573)
630d电子套结机使用说明书:[4]
图片尺寸2382x3368
变频器说明书
图片尺寸1217x964
富莱斯电动执行器fosd05开关型智能调节型无缘触电ac2
图片尺寸750x1109![施耐德ats48m12q软启动器用户手册:[4]](https://imgs.wantubizhi.com/img/735A5D1F980B52A636CC46F12F2D1A73F9A662B63E159321F1E8A63321846ABFFE77F0E9D4FBB5631460E98A10D2A7037B3B93F4FEFBA545188378CADC1C0C1D5787C4A9D9539B3A2CE091D5A13B66AA9184DFF31418A2002668F0D42E2B49DC)
施耐德ats48m12q软启动器用户手册:[4]
图片尺寸1748x2448
y620优众变频器说明书_第1页
图片尺寸800x551![施耐德交流同步伺服电机brh说明书:[4]](https://imgs.wantubizhi.com/img/A1A61BAA66193547F3A6DD7D8EE527E906BF941982E789457130F2D29D80E6509D6DBB097C3BA67B90121F6474C836D28B98A8F82227FBA38822DA4C6F8F9122340C7F1ACA3F16E7D73DE99A0C56099643FC523D6DF374776AF951C96668697B)
施耐德交流同步伺服电机brh说明书:[4]
图片尺寸904x1280
施耐德电气atv610变频器快速启动指南
图片尺寸600x848
施耐德apcups不间断电源surt系列长机长延时供电施耐德原厂电池延时
图片尺寸790x966![fr-e500系列变频调速器使用手册:[6]](https://imgs.wantubizhi.com/img/A1A61BAA66193547F3A6DD7D8EE527E92D9E52D4FD6F4CF98ADD3617D56912CD648D4705938B04A4CC192BC3D8A7A41EFA24606B446A3EBD97CA195F7886D3091ED2D7A650B8A969A2D41133B3815922B179766ECA8BED9FF23A31E8031F0EBB)
fr-e500系列变频调速器使用手册:[6]
图片尺寸2381x3368![雷诺尔jjr5600智能型电机软起动器用户手册:[5]](https://imgs.wantubizhi.com/img/A1A61BAA66193547F3A6DD7D8EE527E9B77C54A624CA199D32D9AEA69AC14F08F05B7F6F66F18E7FE6BE0222D40820A999D3BA3817A78655A3B744CEDE31BB54641B8513DE0860825A4FE0521CFFD2AA4F2141AF551D4526C0F2B738F9068447)
雷诺尔jjr5600智能型电机软起动器用户手册:[5]
图片尺寸1616x2381
艾克特at500系列高性能矢量型变频器说明书v1.03
图片尺寸2481x3508
日式日式施普雷特superlifts60s66电动车库门遥控器卷帘门电机控
图片尺寸220x220
希望森兰变频器大量现货sb70sb200系列持续热销中
图片尺寸750x1132
山特k500/k1000-pro ups电源说明书
图片尺寸883x1280