施耐德继电器接线图

适用原装继电器dc24v4组14脚rxm2lb2bd 8脚rxm2ab2bdp7 ac220v 无底座
图片尺寸990x1097
施耐德电气旗舰官网rxm小型中间继电器rxm2lb2bd dc24v现货批发
图片尺寸750x895
sr安全继电器接线
图片尺寸1603x884
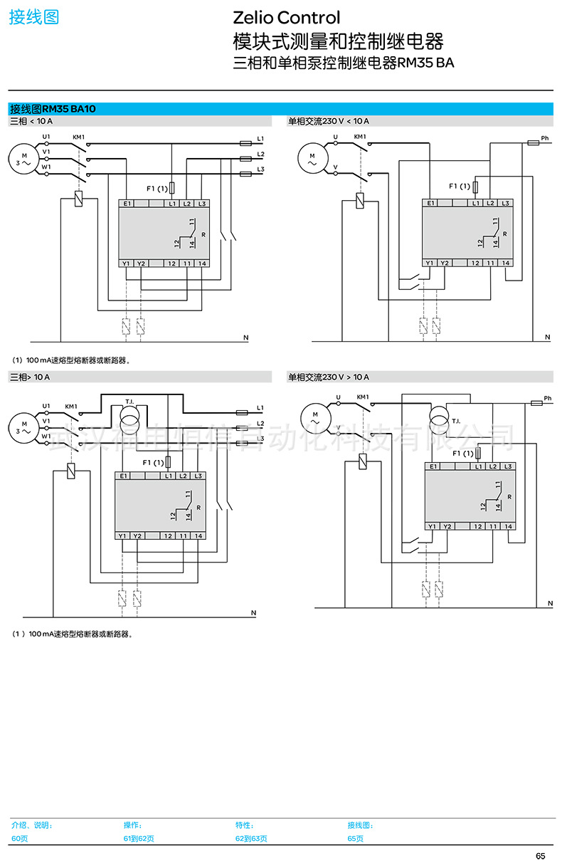
施耐德原装电流监测控制继电器rm35系列控制小型继电器rm35ja32mr
图片尺寸790x1212
继电器接线图4
图片尺寸1080x810
220v施耐德接触器实物接线图
图片尺寸714x535
过流继电器接线图
图片尺寸679x723
原装正品施耐德小型中间继电器rxm4lb2p7 4副触点3a 带led 230vac
图片尺寸790x596
奥德赛rb1闪光继电器接线图
图片尺寸796x342
热过载继电器接线图与复位方法
图片尺寸748x599
施耐德中间继电器 rxm4lb2bd dc24v 4组14脚3a led指示直流继电器_7折
图片尺寸790x753
继电器施耐德24伏小型11脚14脚交流220vrxm4lb直流电磁继电器
图片尺寸800x800
施耐德继电器 - 约克科技
图片尺寸790x753
展开全部 以典型的24v继电器为例,6脚继电器接线如下: 5 2 已
图片尺寸734x463
施耐德电气3dm2wrduwzeocr3dm2智能电动机保护器
图片尺寸975x457
农用三轮车140继电器接线图
图片尺寸1217x579
速度继电器主线路接线图
图片尺寸328x281
【中间继电器】施耐德(schneider)rxm2系列可插拔式
图片尺寸708x433
施耐德ats22c11q软启动接线图
图片尺寸716x492
底座施耐德继电器8孔rxze1m2c闭细脚插座14孔7a1m4c电磁继电器
图片尺寸800x800