无刷电机驱动器电路图

cn1848663a_可变速的无刷直流电机驱动电路有效
图片尺寸2536x1935
【无刷直流电机驱动主电路】
图片尺寸2000x1373
无刷电机控制——硬件部分调试记录_无刷电机 示波器 电压-csdn博客
图片尺寸640x796
一种无位置传感器无刷直流电机驱动电路
图片尺寸1281x540
一种直流无刷电动机控制驱动电路及具备该电路的直流无刷电机
图片尺寸1939x2196
基于ir2130驱动芯片的无刷直流电动机功率驱动电路设计
图片尺寸1556x1409
三相无刷电机驱动电路
图片尺寸812x582
无刷电机控制器电路图16f72电路图
图片尺寸3522x2490
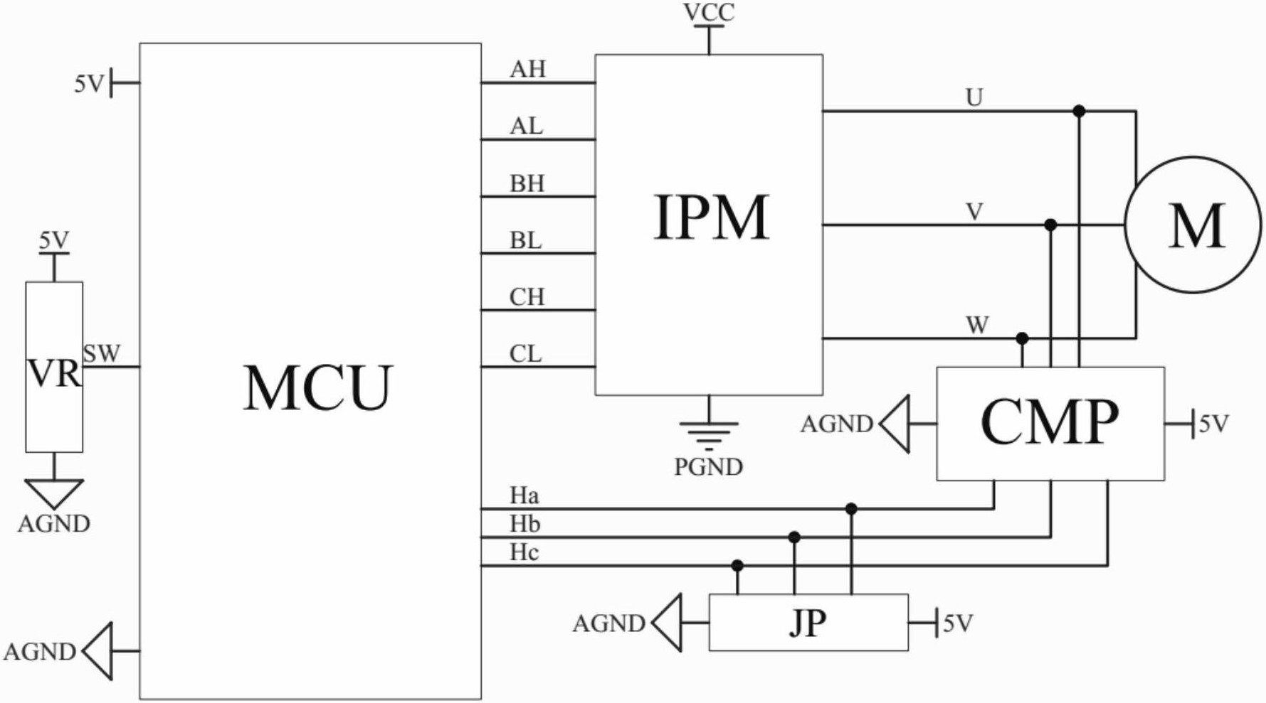
本实用新型涉及一种三相无刷电机驱动电路,该驱动电路的智能微处理器
图片尺寸1779x989
33035和无刷电动机适配器mc33039及场效应晶体管驱动电路等部分构成的
图片尺寸1182x1023
无刷电机驱动电路及具有其的转向器
图片尺寸1973x1383
一种无刷直流电机及其自举全桥驱动电路
图片尺寸1737x1975
电动自行车无刷电动机驱动电路图
图片尺寸1485x1556![一种直流无刷电机驱动电路的设计与优化[1]](https://imgs.wantubizhi.com/img/735A5D1F980B52A636CC46F12F2D1A734C103DBCAA0CBAA6731AD02C94C792D51C0C96B347E203D8FB59B8AD6E55E251B86F12BB7BFCCF41FD92CC53863C86D20FFF50181E026B8FB7E2E973F5434CEBCE5490FD1E69732233765F31367E31A7)
一种直流无刷电机驱动电路的设计与优化[1]
图片尺寸1919x1182
电机驱动电路控制原理图
图片尺寸1218x676
一款开源的无刷直流电机驱动板(原理图 pcb 源代码)
图片尺寸1068x701
基于mc33039和mc33035的无刷直流电机驱动控制电路.
图片尺寸859x735
直流无刷电机的控制电路
图片尺寸2389x1094
基于atmega48的三相无刷电机控制方法
图片尺寸758x509
cn107707160a_高精度直流无刷伺服电机驱动器失效
图片尺寸2662x1797