无尘车间工作原理图

无尘车间净化原理图
图片尺寸1485x979
无尘车间净化原理图
图片尺寸1133x759
洁净室空气洁净的原理与解析
图片尺寸640x1200
无尘车间系统图
图片尺寸809x360
无尘车间原理图
图片尺寸700x484
原理角度,为大家说说嘉兴无菌检验员培训内容之认识洁净车间空调系统
图片尺寸800x454
洁净车间新风系统的安装与使用
图片尺寸1269x984
净化工程基础知识
图片尺寸540x267
图片尺寸1582x921
医疗无尘车间净化原理
图片尺寸900x500
万级洁净车间装修
图片尺寸640x500
木工工作室除尘设备走管图
图片尺寸1280x964
清洁生产技术
图片尺寸727x528
无尘车间设计✨洁净与效率双赢
图片尺寸554x397
尘埃粒子计数器厂家介绍洁净室运行原理
图片尺寸1063x602
品牌列表团队风采
图片尺寸1180x708
不同级别净化车间的用途呢?
图片尺寸1529x843
锂电池无尘车间净化原理
图片尺寸816x350
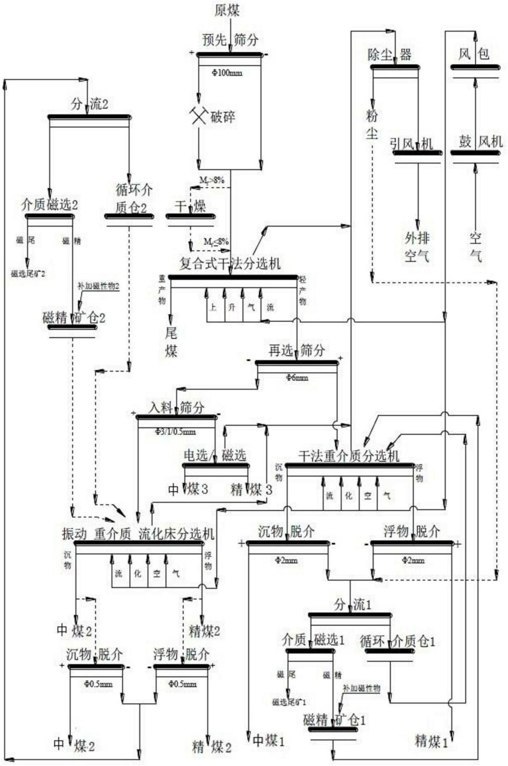
一种煤炭全粒级干法分选洁净工艺及系统
图片尺寸1746x2631
ffu耐高温过滤器
图片尺寸535x501