暖风水箱进出水管对接

有人在暖风水箱的进出水管上加阀门的吗
图片尺寸400x244
求助关于大s后排暖风水管走向
图片尺寸551x313
大神来,求助,关于空调暖风水管
图片尺寸400x299
说的罗嗦了,其实就是节气门加热水管并联在暖风水箱的进出水管上就行
图片尺寸400x250
(有些是一边热一边凉)1,车里的暖风不热?
图片尺寸620x472
叫个修理工,让他拆下暖风水箱的进出水管,然后用洗车的水枪来回的冲洗
图片尺寸500x235
请问标致308暖风水箱的进水口与出水口?
图片尺寸900x837
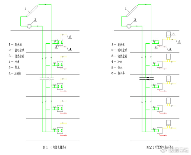
集中式太阳能热水系统设计|太阳能|热水|热水箱_新浪新闻
图片尺寸613x497
严格落实车辆出车前的安全检查工作,确保发动机,灯光,雨刮,暖风系统
图片尺寸600x450
【图】暖风的两根水管,哪根是进水管,哪根是出水管_1_君威论坛_爱卡
图片尺寸760x570
蛇形管换热器的焊接接头形式多样,常见的有对接接头,角接接头等.
图片尺寸660x880
东风天龙旗舰kx520560空调暖风水阀暖风进出水管8101054c
图片尺寸750x750
左边箭头是节气门旁通水管,右边是暖风的进出水管
图片尺寸720x960
高效专业把控项目品质4月3日起12家优质企业精准对接全国政府园区
图片尺寸1080x721
科沃斯t30pro彻底击破机器人清洁难题
图片尺寸720x1001
刚才说了,车头没有大事故,现在就得到了印证,水箱框架,大灯框架,里面
图片尺寸800x800
帮我看一下暖风箱的进水管是不是这两条
图片尺寸700x933
科沃斯t30pro彻底击破机器人清洁难题
图片尺寸720x378
科沃斯t30pro彻底击破机器人清洁难题
图片尺寸720x960
落地的光应用,打造更多维度的应用及技术主题展,引入更精准的对接资源
图片尺寸1074x713