暗盒里的电路图怎么画

探测暗盒里的电路ppt
图片尺寸1080x810
如图所示是一个暗盒,盒内有一个电池组(已知电压为12伏),两个电阻分别
图片尺寸317x591
如图9 所示,暗盒内有若干只规格相同的小彩灯并联后接到暗盒外的电源
图片尺寸182x148
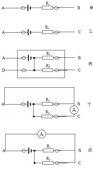
电路原理图
图片尺寸1080x1440
如图9所示,暗盒内有若干只规格相同的小彩灯并联后接到暗盒外的电源上
图片尺寸166x148
家用入户电源总控制盒接线图
图片尺寸920x1302
如图所示,暗盒内有若干只规格相同的小彩灯并联后接到暗盒外的电源上
图片尺寸531x318
三年级儿子画的电路图,老母亲已完全辅导不了了,虽然语 - 抖音
图片尺寸1440x1920
个暗盒,盒内有一个电压为9v的电池组,四个电阻和若干导线组成的电
图片尺寸1298x734
手绘电路图之一
图片尺寸812x552
b站某初中生up自制各种开关电源和充电器电路图.(有acdc - 抖音
图片尺寸1440x2304
电路比拼 照亮未来 ——记东校区407班"家庭电路挑战赛"项目化活动
图片尺寸1080x810
客厅灯,筒灯,俩个灯带,该怎么买开关,只有一个暗盒
图片尺寸585x1040
画电路图的方法 可真不是"比葫芦画瓢"
图片尺寸5333x3000
电路比拼 照亮未来 ——记东校区407班"家庭电路挑战赛"项目化活动
图片尺寸1080x810
电路比拼 照亮未来 ——记东校区407班"家庭电路挑战赛"项目化活动
图片尺寸1080x810
画电路图的方法
图片尺寸1080x810
①路,t15电控制中间继电器,24v正电流向空档启动继电路和空档信号
图片尺寸1080x1920
3探测暗盒里的电路pptx
图片尺寸800x450
怎样画电路图
图片尺寸1080x810