最简单无刷电机电路图

无刷电机控制器原理图,无刷电机控制电路-图片大观-奇异网
图片尺寸1913x1224
无刷电机控制器电路图16f72电路图
图片尺寸3522x2490
cn1848663a_可变速的无刷直流电机驱动电路有效
图片尺寸2536x1935
直流无刷电机的控制电路
图片尺寸2389x1094
1 永磁无刷直流电机
图片尺寸1099x574
【无刷直流电机驱动主电路】
图片尺寸2000x1373
基于atmega48的三相无刷电机控制方法
图片尺寸758x509
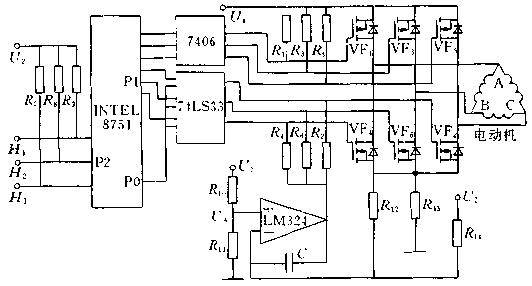
直流无刷电动机控制电路
图片尺寸1182x1023
文档下载 所有分类 工程科技 电子/电路 > 汽车用永磁无刷直流电机
图片尺寸1886x962
一种直流无刷电动机控制驱动电路及具备该电路的直流无刷电机
图片尺寸1939x2196
直流无刷电机该的控制方法
图片尺寸1080x630
直流无刷电动机工作原理与控制方法
图片尺寸532x286
无刷电机驱动电路及具有其的转向器
图片尺寸1973x1383
五,无刷直流电机基本工作原理
图片尺寸581x368
无刷直流电动机功率驱动电路设计
图片尺寸850x770
arm lpc2101的无刷直流电机控制设计方案
图片尺寸660x361
无刷直流电机的驱动方式
图片尺寸652x439
首页 电路图 电机控制电路无刷电动机的转子,定子和驱动电路的关系
图片尺寸1038x601
三相无刷电机驱动电路
图片尺寸812x582
无刷直流电机控制电路无刷直流电机和微型水泵
图片尺寸1934x856