最简单的电平指示电路

简易输出电平指示电路
图片尺寸914x766
10级电平指示器电路图
图片尺寸907x596
电平指示电路怎么接线
图片尺寸685x326
电平表指示驱动电路图
图片尺寸700x319
lb1405lbl415电平指示驱动电路
图片尺寸1561x1708
求个led音频电平指示电路
图片尺寸931x483
二进制01电平显示电路图
图片尺寸355x330
电平指示器的明细表和电路图与pcb图免费下载
图片尺寸1092x593
一种多输入源的20级电平指示电路制造技术
图片尺寸1000x460
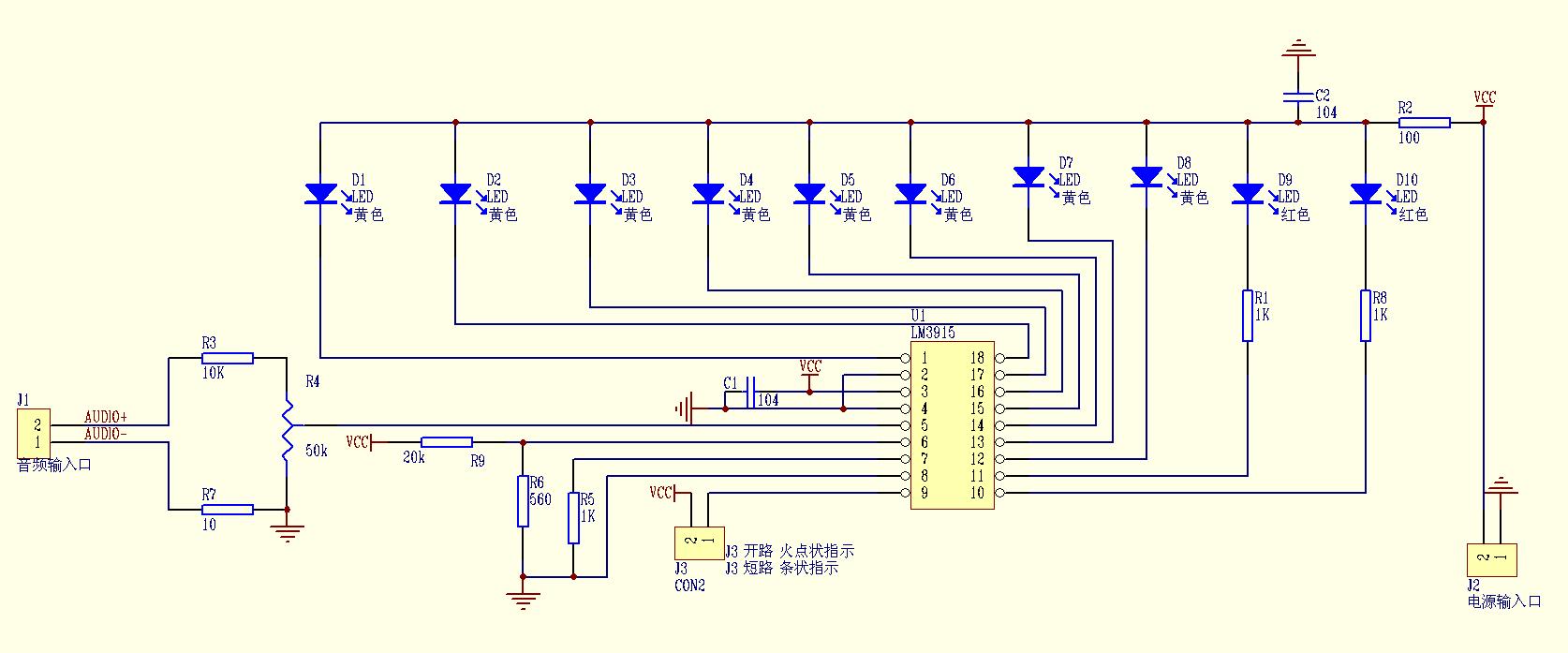
lm3915 10段音频电平指示器
图片尺寸1674x697
基于lm324的led电平指示器电路设计
图片尺寸597x315
音乐声控电平指示
图片尺寸650x370
电平_电路
图片尺寸750x652
求高手看一下我这led电平指示电路的问题,那两个电容应该用多大的啊
图片尺寸890x384
如何驱动5e1 10段电平指示管?
图片尺寸1755x381
免费文档 所有分类 彩色信号电平指示器 图 1是电路原理图,该指示器的
图片尺寸1528x748
三极管驱动发光二极管电平指示电路
图片尺寸915x432
基于lm3915的音量电平指示器电路
图片尺寸639x446
音量电平指示电路指示电路图
图片尺寸407x205
三极管构成的高低电平转换电路图及分析-kia mos管
图片尺寸500x382