有载分接开关原理图

有载分接开关工作原理
图片尺寸1080x810
cn101325124a_一种有载调压变压器分接开关及其应用的调压变压器失效
图片尺寸1688x1493
有载分接开关简介
图片尺寸960x720
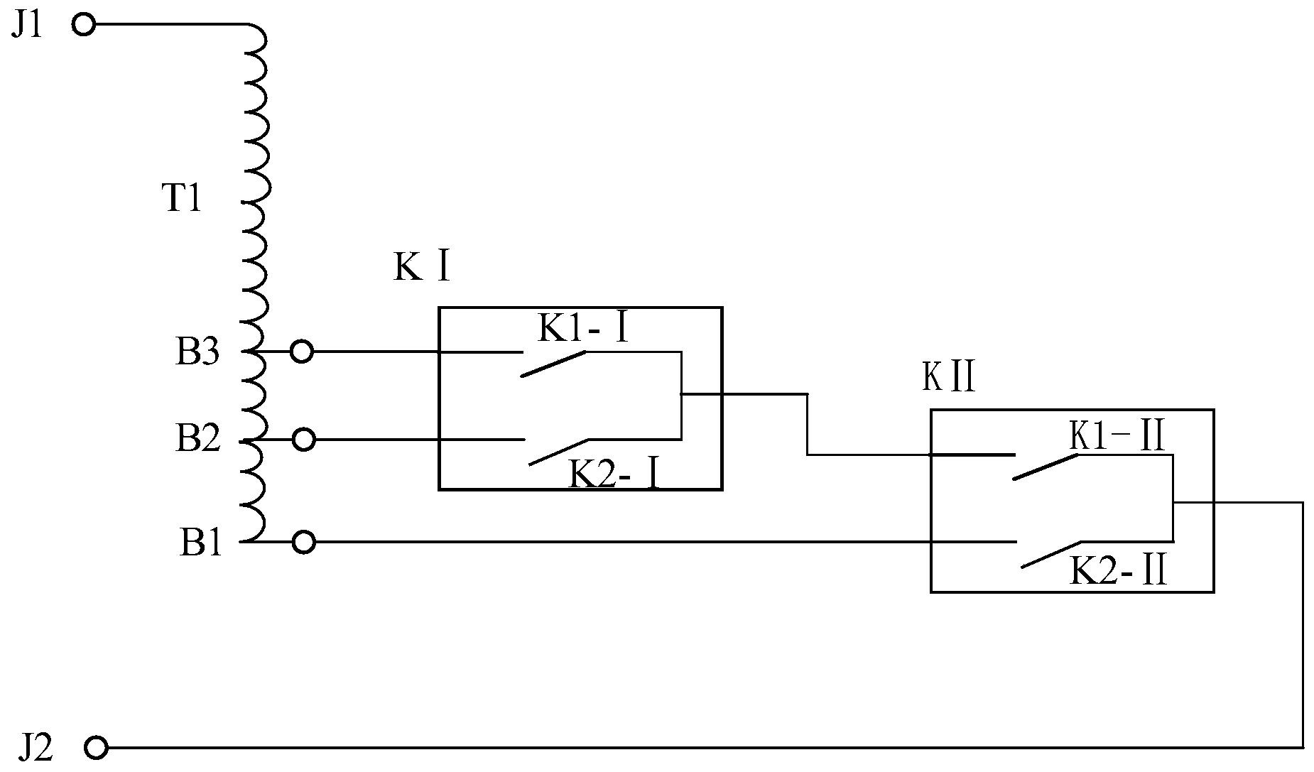
图1机械式改进型分接开关原理及其电子开关电路
图片尺寸938x440
cn2132256y_有载分接开关失效
图片尺寸1664x1472
cn107068368b_一种干式有载分接开关电路及其调容和调压方法有效
图片尺寸600x275
一种干式真空有载分接开关的制作方法
图片尺寸257x443
【分享】有载分接开关基本原理解读
图片尺寸960x720
变压器有载调压开关有载分接开关工作原理
图片尺寸645x483
有载分接开关工作原理值得收藏
图片尺寸660x495
cn113077980a_一种用于高压输电变压器的有载分接开关及其控制方法在
图片尺寸1577x1901
具有保护功能的配电变压器无触点有载自动调压分接开关
图片尺寸1025x635
一种有载分接开关单电阻过渡电路
图片尺寸444x398
变压器有载分接开关基本知识原理区别原因分析
图片尺寸960x720
将有载分接开关按实际使用情况装配好,油浸式开关应置于电子变压器油
图片尺寸1416x1290
有载调压开关原理图
图片尺寸363x846
有载分接开关工作原理
图片尺寸960x720
cn101996752a_一种变压器分体式无弧有载分接开关失效
图片尺寸852x928
有载分接开关及其控制方法,装置以及调压设备-爱企查
图片尺寸1850x1087
cn107946053a_一种干式有载调容调压变压器分接开关在审
图片尺寸563x326