机械制图通孔的画法

机械制图中各种孔的标注方法
图片尺寸893x1263
cad中螺纹孔如何画?
图片尺寸535x265
《机械制图习题集》答案ppt
图片尺寸1080x810
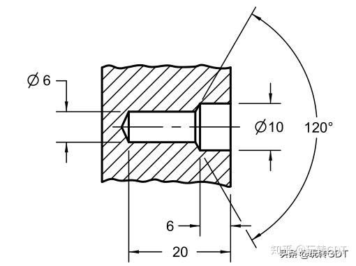
机械制图标准中心孔表示法
图片尺寸672x446
展开全部 这是一个阶梯螺纹孔,上面是直径13深度3.
图片尺寸654x536
家具制图 尺寸标注(qb/t 1338-2012)
图片尺寸740x1174
机械制图中
图片尺寸746x564
免费文档 所有分类 工程科技 机械/仪表 螺孔标注 设计图纸标注 4.
图片尺寸567x409
无忧文档 所有分类 工程科技 机械/仪表 零件上常见孔的尺寸注法 第1
图片尺寸893x422
盲孔和通孔的画法
图片尺寸651x347
求大神指点,这个图中斜通孔怎么量,用cad怎么画?
图片尺寸647x463![下列图中,螺孔尺寸标注正确的图是() [图]a,ab,bc,c.](https://imgs.wantubizhi.com/img/735A5D1F980B52A636CC46F12F2D1A73149D0C4E452004C30C73C22A66980826D8E325B3D942A12E08067AE4D7114A5F9FB5B82701EBF9618CCDAE4BFE0C3D7E8BF587D338CC3E0900C35AFC77FEE216473BA8662DFBC78A6FA3DDCBAF58A822)
下列图中,螺孔尺寸标注正确的图是() [图]a,ab,bc,c.
图片尺寸471x300
异形孔标注少沉孔尺寸附图
图片尺寸785x530
螺纹孔怎么标注
图片尺寸397x199![图中表示螺纹孔的钻孔深度是()mm. [图].](https://imgs.wantubizhi.com/img/ADDA3C5D760C6828B77B505A29D43E8319756CFE7E2BE460A25CBC6F3980F590DEA833944ECDDA4E82BE69C6649FE1C818FD5A24D26CD09C0545B866243E91540AD1533E0DD1C234E4AB429C69F3149F3CF5E5BD6C687FEE4ADF68A3676BC140)
图中表示螺纹孔的钻孔深度是()mm. [图].
图片尺寸510x287
cad二维螺纹孔的画法
图片尺寸450x321
下列圆锥螺纹孔画法正确的是
图片尺寸890x288
判断下列所绘制的螺孔视图中正确的尺寸标注是
图片尺寸522x435
catia孔深度符号标注_机械图纸·每日一符:埋头孔符号﹀
图片尺寸510x381
cad螺纹孔如何画
图片尺寸274x470