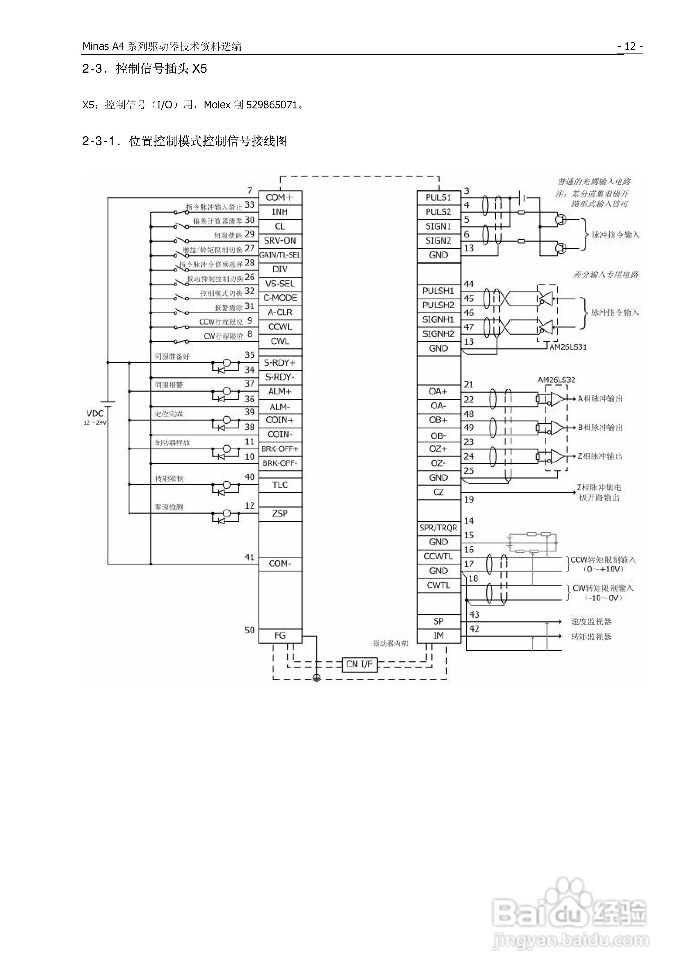
松下a4伺服x5插头排列

松下伺服驱动器插头a4/a5/a6接头 xa/xb/x2/x3/x4/x5/x6电机插头
图片尺寸1920x1920
松下伺服电机a6系列驱动器插头说明
图片尺寸571x534
议价松下伺服驱动器madln05se mbdht2510e 松下a6 a5 a4 1小时维
图片尺寸2336x4160
百翼松下伺服驱动器x5插头插头a4a5a6光栅尺接头同jst muf-pk10k-x
图片尺寸800x800
松下伺服驱动器插座 母座插头 xa/xb/x2/x3/x4/x5/x6电机插座底座
图片尺寸800x800
松下a4a5a6伺服驱动器xaxb x2 x3 x4 x5x6电机编码器通讯插头
图片尺寸800x800
梦茜儿适用松下a4 a5 a6伺服驱动器插头xaxbx2x3x4x5x6连接器电机编码
图片尺寸800x800
伺服驱动器x5插头dv0pm20026连接器/dvopm20026接头松下a4/a5/a6
图片尺寸760x760![panasonic松下交流伺服驱动器minas a4 manual使用说明:[1]](https://imgs.wantubizhi.com/img/ADDA3C5D760C6828B77B505A29D43E8371DE6FAC79DB2CCB3C86D6CCD372EA9F902507CBC54C0BE4E5D87D3D2F2D712ECB067CDE4579925C4E398EF8EBBB77A97B2BF60E078470487EE8CAD1854F127A15C5DB4DCDB2177BDBBA527983A7B00C)
panasonic松下交流伺服驱动器minas a4 manual使用说明:[1]
图片尺寸2380x3368
松下a4a5a6伺服驱动器xa xb x2 x3 x4 x5 x6 电机编码器通讯插头
图片尺寸750x750
适用松下a4 a5 a6伺服驱动器插头xaxbx2x3x4x5x6连接器电机编码器
图片尺寸800x800
全新原装 松下伺服驱动器插头a4,a5 a6 xa xb xc 4孔 5孔 6孔
图片尺寸4608x3456
松下安川三菱伺服驱动器cn1 2 3 x4 8接头 14 20 26 36 50针插头
图片尺寸2448x3264
日本jst松下x5x2插头a4a5a6伺服驱动器光栅尺用muf-pk10k-x连接器
图片尺寸800x800
松下 伺服电机驱动器x5接头端口dvopm20026现货一个起 包邮
图片尺寸2848x2848![松下mknas系列ac伺服驱动器说明书:[2]](https://imgs.wantubizhi.com/img/A1A61BAA66193547F3A6DD7D8EE527E957204D906DF245458E50FD3EDE003B4FF1FB8DBE9F162DC8E30732D66A44C6BE059E85E937EA1C72778CDA524F3280893BB97567FF72E4BE4BAAF881BB81E5371A25E8BBFB6DCF35D76EC4F79F3EC232)
松下mknas系列ac伺服驱动器说明书:[2]
图片尺寸2380x3368
松下伺服驱动器x5插头dv0pm20026连接器/dvopm20026接头a4/a5/a6 muf
图片尺寸800x800
松下伺服驱动器插头 xa xb x2 x3 x4 x5 x6连接器 电机编码器接头
图片尺寸750x750
配线・连接 | 松下电器机电(中国)有限公司 控制机器 | panasonic
图片尺寸900x1319
x5插头光栅尺接头松下a4a5a6伺服驱动器同jst muf-pk10k-x连接器
图片尺寸760x760