柱脚加劲板

添设柱脚加劲肋,以减小底板的跨度,从面减少底板弯矩.
图片尺寸960x1280
9#墩墩柱加劲板,垫板材料进场
图片尺寸2000x2667
柱子的标高有用垫板控制,垫板应设置在靠近地脚螺栓的柱脚底极加劲板
图片尺寸560x428
请问老师,计算柱脚加劲板,要不要减掉空缺的这个小三角形?
图片尺寸1138x720![[分享]钢结构加固详解(2)--各类构件加固方法](https://imgs.wantubizhi.com/img/ADDA3C5D760C6828B77B505A29D43E83963B62A21FEC0998CFCED51638B3851D38C87D9CA03413DD96DACFDEC8BC8F509553F555F45E3726CA6F068CA12ABD216DDCEDC98851631090627F528F7B0ABD1CE697A155C578018087794A9B6D0729)
[分享]钢结构加固详解(2)--各类构件加固方法
图片尺寸490x367
钢结构软件内加劲板与加强板有什么区别?
图片尺寸512x467
蔚蓝钢构百科:钢结构工程中加劲板的作用都有哪些_施工_性能_稳定性
图片尺寸1279x959
钢结构的计算 加劲板 加劲板 地脚螺栓
图片尺寸1080x810
钢柱为刚接柱脚,直接埋入混凝土中.
图片尺寸605x648
在钢结构工程中,加劲板是一种重要的构件,它沿着结构梁或柱的长度方向
图片尺寸800x600
加劲板的高度怎样确定
图片尺寸865x710
钢柱下这个加劲板软件中怎么设置
图片尺寸1500x2000
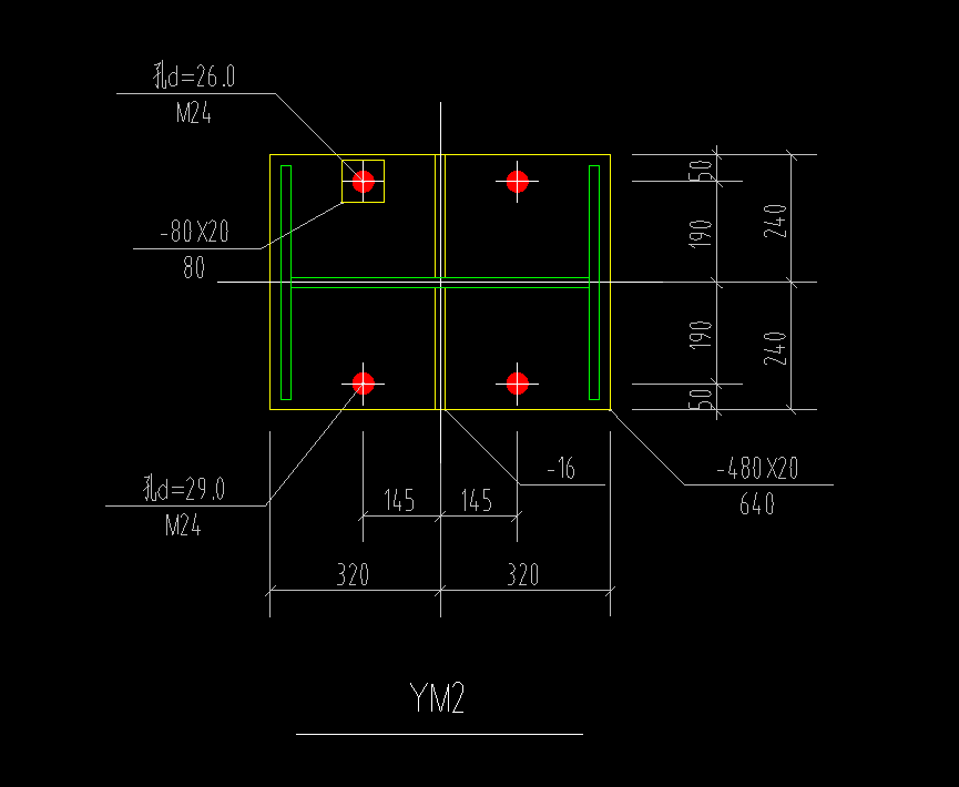
钢结构中加劲板中三角形标注处8和10分别表示什么内容
图片尺寸1093x735
湖南可拆卸式钢筋桁架楼承板批发支持来料加工
图片尺寸1300x975
钢柱与钢梁钢梁与钢梁的连接板加劲板是否都要算两面
图片尺寸851x709
钢柱下这个加劲板软件中怎么设置
图片尺寸1500x2000
请问这种柱脚加劲钢板在钢结构gjg2018如何绘制
图片尺寸693x836
天桥钢柱加劲板焊接,桥墩绑设钢筋,支模
图片尺寸2667x2000
柱脚加劲肋怎么计算工程量
图片尺寸962x690
钢结构加劲板怎么计算
图片尺寸523x610