梁式杆

组 合 结 构 一,组合结构的受力特点 由两类构件组成: 弯曲杆(梁式杆)
图片尺寸1080x810
计算 § 3-5 组合结构的计算 组合结构由链杆和梁式杆组成的结构
图片尺寸1080x810
求梁式杆的内力.
图片尺寸719x269
结构力学3静定结构的内力分析ppt
图片尺寸1080x810
切断一根梁式杆,或在刚结处作一切口,或去掉 一个固定端,相当于去掉
图片尺寸1080x810
撤除一根支杆,切断一根链杆,把固定端化成固定铰 除 支座或在连续杆上
图片尺寸1080x810
这又是学生常常忽略的问题,要始终记住组合结构是存在梁式杆的,自然杆
图片尺寸269x222
(3)去掉一个固定端或切断一个梁式杆相当 于去掉三个约束.
图片尺寸1080x810
5 静组定合结构 组结合构由是桁杆二(杆力和梁)式杆所成组,的用 于常
图片尺寸1080x810
ppt27,桁架,组合结构,杆件,链杆,梁式杆,为达到物尽其用,尽量减小杆件
图片尺寸800x600
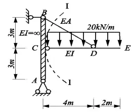
试用力法计算图示组合结构并作m图已知梁式杆ei210
图片尺寸882x465
文件格式:ppt 等级
图片尺寸643x482
5 用力法求图示结构的内力(梁式杆件忽略轴向变形),则利用对称性后,力
图片尺寸554x287
注册建筑师考试复习力学3ppt
图片尺寸800x600
74超静定桁架和组合结构ppt
图片尺寸920x690
计算图a所示组合结构各杆的轴力并绘制梁式杆的内力图
图片尺寸414x259
撤除一根支杆,切断一根链杆,把固定端化成固定铰 除 支座或在连续杆上
图片尺寸1080x810
组合结构题目中,有些会明确告知轴力杆,梁式杆;有些需要自己观察,切勿
图片尺寸227x219
计算图示组合结构中链杆的轴力并绘制其中梁式杆的mqn图
图片尺寸372x280
(9分) 二,计算下图所示静定组合结构,求出链杆轴力并画出梁式杆的m图
图片尺寸973x466