梯形堰

山东水利职业学院——量水堰
图片尺寸1280x720
最新梯形堰实用流量计算公式
图片尺寸920x1301
梯形排水槽模具在哪里放置?
图片尺寸640x640
梯形坝
图片尺寸268x249
流量计供应商,性 上一个 下一个> 量水堰槽把流量转成液位(如上图)
图片尺寸610x197
wl-1a流量计培训资料v0.1ppt
图片尺寸1080x810
询问汛期值守和库容调节情况;并走下大坝,观测三角堰,梯形堰的水位
图片尺寸1280x960
开口u5045平底水泥梯形槽
图片尺寸750x750
排水渠施工公司承接道路排水渠道施工-梯形渠施工-u形渠施工-矩形渠
图片尺寸530x230
1,钦寸水库 2,向阳花 3,彩虹桥 4,梯形堰坝 5,荷花 边听音乐边赏图
图片尺寸2881x2000![[0026]梯形是过水断面3常见的形状,除此之外,本实用新型还可以根据不](https://imgs.wantubizhi.com/img/A1A61BAA66193547F3A6DD7D8EE527E90A9BB2E465A4F4AA9B2F329220C441588390C6BBFC702CF03B4AC1B6693CE30FEECCD540240C28B12F2076108A6ACE2120814FA76B619D67FD07BCBDC65E9986320ABC971249D0E62CF4021C5FE8AF07)
[0026]梯形是过水断面3常见的形状,除此之外,本实用新型还可以根据不
图片尺寸1397x970
梯形槽缝隙线性排水沟混凝土矩形槽建臣科技
图片尺寸750x750
超声波明渠流量计的工作原理:超声波明渠流量计原理是配合量水堰槽
图片尺寸600x466![[河南]快乐多元综合公园扩初设计方案](https://imgs.wantubizhi.com/img/735A5D1F980B52A636CC46F12F2D1A73D39F904637BA3CCB7EBCA83A83A8A5F83EB15128F13202F8C2B4636AFA3228C02D76B7AD82E36E796F744DE029FBFD7FD2EB6DDABA3E4412A755C7081F9724A9FE85021EEAD3A572BD55BC297114A822)
[河南]快乐多元综合公园扩初设计方案
图片尺寸560x307
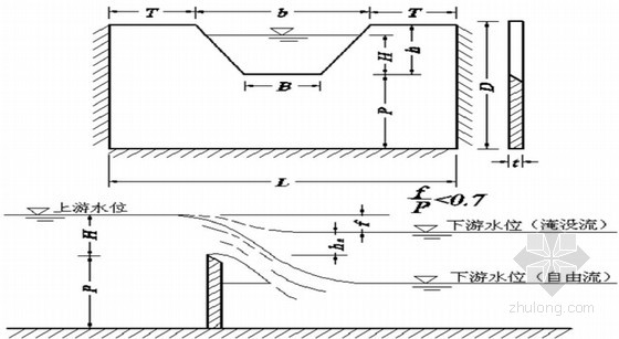
梯形薄壁堰设计图
图片尺寸560x420
写美篇1,钦寸水库 2,向阳花 3,彩虹桥 4,梯形堰坝 5,荷花 边听音乐边
图片尺寸2815x2000
梯形薄壁堰设计图纸
图片尺寸247x213
梯形及矩形薄壁堰设计图纸
图片尺寸322x304
超声波明渠流量计配套三角堰巴歇尔槽巴氏计量槽矩形堰梯形堰
图片尺寸750x750
驰翁定制三角堰堰板 矩形堰板 梯形堰板 支持定制 1平方米
图片尺寸800x800