楼梯挡脚板的做法图片

4,楼梯通道设置防护栏杆,挡脚板及照明系统
图片尺寸1280x960
安全文明标准做法案例精选文明施工消防安全临时用电高处作业
图片尺寸919x692
楼梯理石挡脚板效果
图片尺寸568x307
铝合金楼梯防滑条幼儿园台阶踏步防撞止滑金属护角收口
图片尺寸1334x1001
施工现场安全文明施工图集(干货)
图片尺寸616x443
运输 安全文明施工标准(史上最全) 建筑工程应设置工具式楼梯防护栏杆
图片尺寸590x608
东挂楼梯挡脚板位置过低,整挂都一样
图片尺寸2667x2000
楼梯防护栏杆底部设置挡脚板
图片尺寸360x555
楼梯间抹灰技术交底
图片尺寸640x350
作为省级示范工地,看看这个工地好在哪儿?有些做法非常值得借鉴
图片尺寸465x665
mm_纵向_水平
图片尺寸714x968
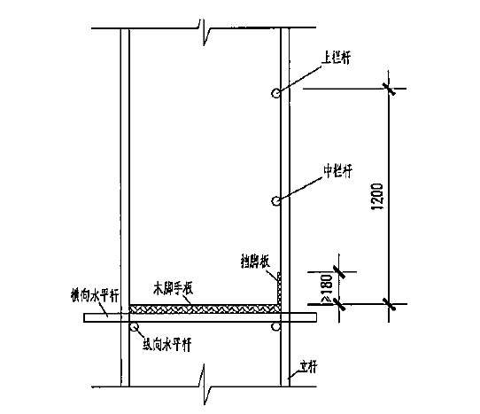
楼梯栏杆及挡脚板做法示意图
图片尺寸542x467
用大理石做楼梯时需要注意这些细节
图片尺寸1037x725
十号楼五层以上楼梯挡脚板缺失
图片尺寸2000x2667
12-11-2 钢结构楼梯石材地面三维图
图片尺寸794x750
楼梯挡脚板安装效果
图片尺寸1080x717
施工现场脚手架及模板支撑管理要点,几张图就说明白了
图片尺寸438x483
共1631 件楼梯安全挡板相关商品
图片尺寸800x800
挡脚板,万华建材,钢管贴纸-天助网
图片尺寸650x406
建筑构造"楼梯"重点知识总结,你真的把记到重点了吗?
图片尺寸1230x731