水泵自动启停抽水装置

235w不锈钢自吸增压水泵,全屋自动启停设计
图片尺寸1600x2844
12v550w自动启停泵,高效节能更智能
图片尺寸720x960
智能自吸水泵,自动启停全屋增压,安全静音设计
图片尺寸1600x2844
销自动启停抽水泵水泵全自动液位控制器小型提升泵液位水泵自动品
图片尺寸1200x1600
水泵自动抽水,水位控制轻松搞定
图片尺寸1080x1440
自吸泵家用抽水机小型增压220v高扬程水空调深井自来水农用全自动
图片尺寸3936x3936
自动启停增压泵,智能控制多个楼层
图片尺寸1080x1440
自动水位控制,无需人工干预,水泵智能启停
图片尺寸720x960
增压泵自动启停功能,静音设计
图片尺寸1080x1440
水泵远程自动控制系统:远程启停 智能报警,企业节能降耗利器
图片尺寸1500x2082
家用智能增压自吸泵,自动启停功能超强
图片尺寸720x960
家用增压泵,自动启停,强劲出水,井水变自来水轻松搞定
图片尺寸720x960
浮球开关控制220v水泵自动抽水.#电工知识分享
图片尺寸1080x1940
桶装水自动加水装置自动启停水泵电动抽水器上水器小型家用大功率
图片尺寸800x800
自动水位控制水泵,水满自动停抽
图片尺寸720x960
家用泵宝单相水泵智能控制器液位水塔上水抽水全自动水位启停220v
图片尺寸400x400
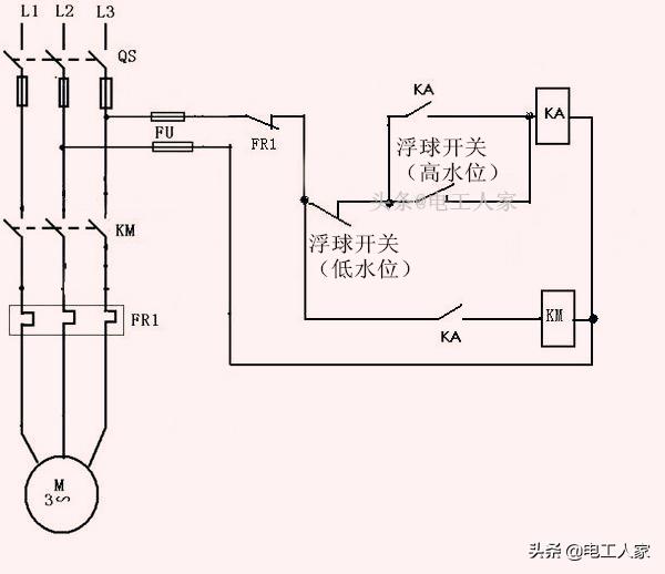
sql2008常自动停止服务水池水泵自动抽水控制电路简单实用电工电子
图片尺寸600x518
水泵控制器新界自动开关停感应流量保护水流增压凌霄自动启停水泵
图片尺寸750x999
水泵自动抽水,水位控制阀轻松搞定
图片尺寸720x960
水位自动控制抽水,水泵自动控制接线
图片尺寸1080x1920