混料机内部结构

荣臻推荐调味料混料机干湿料卧式槽型混合机颜料染料ch槽型搅拌机
图片尺寸1024x500
近来年,它已逐步替代了低速混合机,广泛地用于各种塑料行业的生产中
图片尺寸560x413
25kg立式不锈钢混料桶,片料颗粒色粉混色机,湖南立式混色机
图片尺寸480x276
【图】厂家直销 100kg立式混色机 不锈钢混色机 行业品牌_其他塑料
图片尺寸1284x722
立式混料机结构图
图片尺寸781x385
现货供应食品/药品/化工粉体混合机 gmp 槽型混合机 卧式混合机
图片尺寸750x621
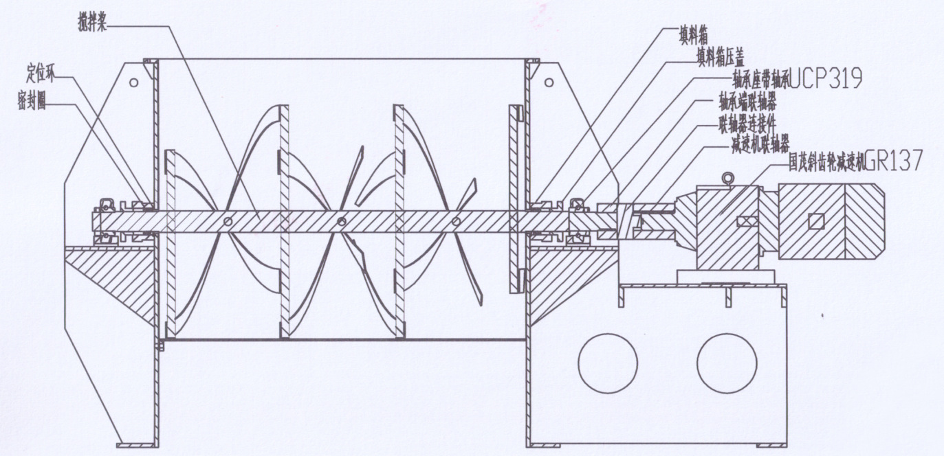
混合机螺带混合机 8000l卧式螺带混合机 混合机厂家
图片尺寸1373x664
jhs-p 不锈钢制药混合机
图片尺寸750x478
v型混合机 vh型混合机 混料机
图片尺寸570x357
日翔品牌50升syh型三维混合机无分层辣椒粉三维混合设备
图片尺寸790x525
一种锂电池纳米级微颗粒高速混料机制造技术
图片尺寸1000x851
圆筒混料机结构
图片尺寸569x288
高速混色机结构图
图片尺寸1000x879
厂家直供 v型混合机 混料机 粉末搅拌机 食品粉末混合机
图片尺寸772x567
供应红豆高速混合机 消毒剂高速搅拌机 酵素高速搅拌机
图片尺寸790x910
混合机v型混料机v300l型混合机500l变频混合机食品混合
图片尺寸790x448
饲料加工搅拌混料机 卧式搅拌机哪里好,卧式不锈钢搅拌机价格
图片尺寸1423x1920
饲料混合机
图片尺寸425x504
加液式混料机
图片尺寸499x309
jhx双运动经典干粉混合机设备内部结构图
图片尺寸500x237