渗碳

渗碳- 优质问答专区
图片尺寸1006x755
20crmntih渗碳缓冷后的组织
图片尺寸3264x2448
渗碳体
图片尺寸600x480
渗碳后表面出现气泡
图片尺寸816x612
高强度渗碳齿轮钢18crnimo7-6.高强度渗碳齿轮钢18 - 抖音
图片尺寸1080x1920
一次渗碳体与二次渗碳体的区别
图片尺寸917x460
渗碳钢
图片尺寸268x201
求助,为什么零件出来是黑色的 渗碳淬火的还有皮
图片尺寸2448x3264
求助,为什么零件出来是黑色的 渗碳淬火的还有皮
图片尺寸2448x3264
渗碳钢的金相组织形态
图片尺寸1024x768
钢的渗碳都有哪些常见渗碳方法
图片尺寸670x440
生产齿轮经过渗碳淬火后,经过酸洗发现表面有裂纹,是怎么形成的?
图片尺寸2448x3264
渗碳钢的金相组织形态
图片尺寸490x433
吴江锻件渗碳渗氮硬化层深度测量检测
图片尺寸600x298
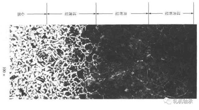
渗碳层深度与有效硬化层
图片尺寸640x354
渗碳常见缺陷及其解决方法
图片尺寸450x296
渗氮,渗碳层深度测试项目 钢材金相组织检验
图片尺寸338x258
东莞渗碳处理
图片尺寸960x1280
渗碳钢的金相组织形态
图片尺寸582x439
20crmo钢板渗碳淬火变形矫正方法
图片尺寸300x247